本文中将以分析几个案例的方式拆解程序编程的过程,从控制过程到原理及梯形图。如果采用其它系列或品牌的PLC,其逻辑结构大同小异。
PLC原理图到程序的经典实例;—交通信号灯控制
(1)明确系统控制要求
系统要求用两个按钮来控制交通信号灯工作,交通信号灯排列如下图所示。

系统控制要求具体如下:
当按下起动按钮后,南北红灯亮25s,在南北红灯亮25s的时间里,东西绿灯先亮20s再以1次/s的频率闪烁3次,接着东西黄灯亮2s,25s后南北红灯熄灭,熄灭时间维持30s,在这30s时间里,东西红灯一直亮,南北绿灯先亮25s,然后以1次/s频率闪烁3次,接着南北黄灯亮2s。以后重复该过程。按下停止按钮后,所有的灯都熄灭。交通信号灯的工作时序如下图所示。

(2)确定输入/输出设备,并为其分配合适的I/O端子
交通信号灯控制需用到的输入/输出设备和对应的PLC端子见下表。

(3)绘制交通信号灯控制电路图

控制电路图
(4)编写PLC控制程序
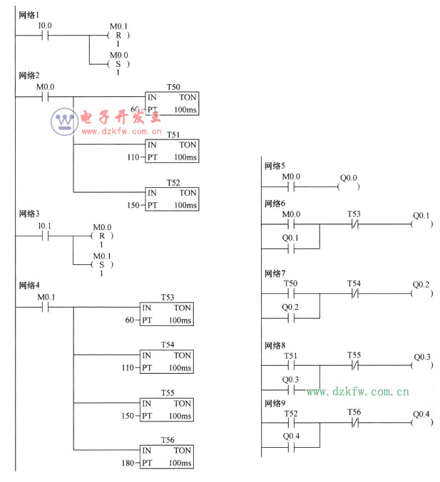
启动STEP 7-Micro/WIN编程软件,编写满足控制要求的梯形图程序,编写完成的梯形图如下图所示。

梯形图
在上图所示的梯形图中,采用了一个特殊的辅助继电器SM0.5,称为触点利用型特殊继电器,它利用PLC自动驱动线圈,用户只能利用它的触点,即画梯形图里只能画它的触点。SM0.5能产生周期为1s的时钟脉冲,其高低电平持续时间各为0.5s,以上图梯形图网络9为例,当T50常开触点闭合,在1s内,SM0.5常闭触点接通、断开时间分别为0.5s,Q0.4线圈得电、失电时间也都为0.5s。
下面对照控制电路和时序图来说明梯形图工作原理:
(1)起动控制

(2)停止控制

PLC原理图到程序的经典实例——喷泉控制
(1)明确系统控制要求
系统要求用两个按钮来控制A、B、C三组喷头工作(通过控制三组喷头的泵电动机来实现),三组喷头排列如下图所示。

系统控制要求具体如下:
当按下起动按钮后,A组喷头先喷5s后停止,然后B、C组喷头同时喷,5s后,B组喷头停止、C组喷头继续喷5s再停止,而后A、B组喷头喷7s,C组喷头在这7s的前2s内停止,后5s内喷水,接着A、B、C三组喷头同时停止3s,以后重复前述过程。按下停止按钮后,三组喷头同时停止喷水。下图为A、B、C三组喷头工作时序图。

(2)确定输入/输出设备,并为其分配合适的I/O端子
喷泉控制需用到的输入/输出设备和对应的PLC端子见下表:
(3)绘制喷泉控制电路图

控制电路图
(4)编写PLC控制程序
启动STEP 7-Micro/WIN编程软件,编写满足控制要求的梯形图程序,编写完成的梯形图如下图所示。

梯形图
下面对照控制电路来说明梯形图的工作原理:
(1)起动控制

(2)停止控制

PLC原理图到程序的经典实例——多级传送带控制
(1)明确系统控制要求
系统要求用两个按钮来控制传送带按一定方式工作,传送带结构如下图所示。

系统控制要求具体如下:
当按下起动按钮后,电磁阀YV打开,开始落料,同时一级传送带电动机M1起动,将物料往前传送,6s后二级传送带电动机M2起动,M2起动5s后三极传送带电动机M3起动,M3起动后4s后四级传送带电动机M4起动。
当按下停止按钮后,为了不让各传送带上有物料堆积,要求先关闭电磁阀YV,6s后让M1停转,M1停转5s后让M2停转,M2停转4s后让M3停转,M3停转3s后让M4停转。
(2)确定输入/输出设备,并为其分配合适的I/O端子
多级传送带控制需用到的输入/输出设备和对应的PLC端子见下表。

(3)绘制多级传送带控制电路图

控制电路图
(4)编写PLC控制程序
启动STEP 7-Micro/WIN编程软件,编写满足控制要求的梯形图程序,编写完成的梯形图如下图所示。

梯形图
下面对照控制电路来说明梯形图的工作原理。
(1)起动控制

(2)停止控制

PLC原理图到程序的经典实例——车库自动门控制
(1)明确系统控制要求
系统要求车库门在车辆进出时能自动打开关闭,车库门控制结构如下图所示。

系统控制具体要求如下:
在车辆入库经过入门传感器时,入门传感器开关闭合,车库门电动机正转,车库门上升,当车库门上升到上限位开关处时,电动机停转;车辆进库经过出门传感器时,出门传感器开关闭合,车库门电动机反转,车库门下降,当车库门下降到下限位开关处时,电动机停转。
在车辆出库经过出门传感器时,出门传感器开关闭合,车库门电动机正转,车库门上升,当门上升到上限位开关处时,电动机停转;车辆出库经过入门传感器时,入门传感器开关闭合,车库门电动机反转,车库门下降,当门下降到下限位开关处时,电动机停转。
(2)确定输入/输出设备,并为其分配合适的I/O端子
车库自动门控制需用到的输入/输出设备和对应的PLC端子见下表:

(3)绘制车库自动门控制电路图

控制电路图
(4)编写PLC控制程序
启动STEP 7-Micro/WIN编程软件,编写满足控制要求的梯形图程序,编写完成的梯形图如下图所示。

梯形图
下面对照控制电路来说明梯形图的工作原理。
(1)入库控制过程

(2)出库控制过程



返回顶部
刷新页面
下到页底