继电器接触器控制系统经过长期的使用,已有一套能完成系统要求的控制功能并经过验证的控制电路图,而PLC控制的梯形图和继电器接触器控制电路图很相似,因此可以直接将经过验证的继电器接触器控制电路图转换成梯形图。主要步骤如下:
(1)熟悉现有的继电器控制线路。
(2)对照PLC的I/O端子接线图,将继电器电路图上的被控器件(如接触器线圈、指示灯、电磁阀等)换成接线图上对应的输出点的编号,将电路图上的输入装置(如传感器、按钮开关、行程开关等)触点都换成对应的输入点的编号。
(3)将继电器电路图中的中间继电器、定时器,用PLC的辅助继电器、定时器来代替。
(4)画出全部梯形图,并予以简化和修改。
这种方法对简单的控制系统是可行的,比较方便,但较复杂的控制电路,就不适用了。
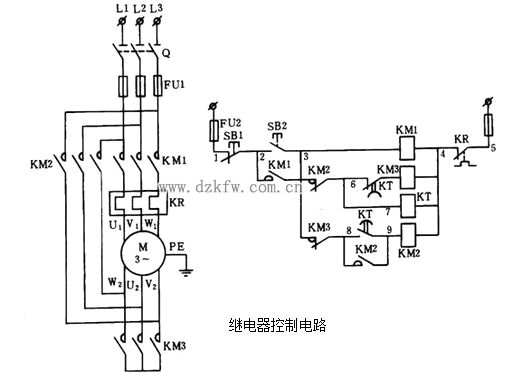
【例1】图1为电动机Y/△减压起动控制主电路和电气控制的原理图。
(1) 工作原理如下:按下启动按钮SB2,KM1、KM3、KT通电并自保,电动机接成Y型起动,2s后,KT动作,使KM3断电,KM2通电吸合,电动机接成△型运行。按下停止按扭SB1,电动机停止运行。
图1 电动机Y/△减压起动控制主电路和电气控制的原理图
(2)I/O分配
输入 输出
停止按钮SB1:I0.0 KM1:Q0.0 KM2: Q0.1
起动按钮SB2:I0.1 KM3:Q0.2
过载保护FR: I0.2
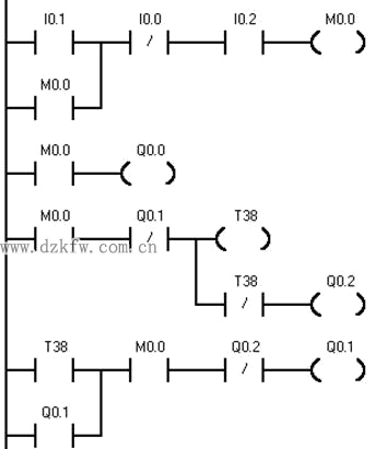
(3)梯形图程序
转换后的梯形图程序如图2所示。按照梯形图语言中的语法规定简化和修改梯形图。为了简化电路,当多个线圈都受某一串并联电路控制时,可在梯形图中设置该电路控制的存储器的位,如M0.0。简化后的程序如图3所示。
图2 例1梯形图程序
图3 例1简化后的梯形图程序


返回顶部
刷新页面
下到页底