最简单的电容振荡电路图(一)
电感三点式振荡电路
图1(a)是另一种常用的电感三点式振荡电路。图中电感L1、L2和电容C组成起选频作用的谐振电路。从L2上取出反馈电压加到晶体管VT的基极。从图2(b)看到,晶体管的输入电压和反馈电压是同相的,满足相位平衡条件的,因此电路能起振。由于晶体管的3个极是分别接在电感的3个点上的,因此被称为电感三点式振荡电路。

电感三点式振荡电路的特点是:频率范围宽、容易起振,但输出含有较多高次调波,波形较差。它的振荡频率是:f0=1/2πLC,其中L=L1+L2+2M。常用于产生几十兆赫以下的正弦波信号。
电容三点式振荡电路
还有一种常用的振荡电路是电容三点式振荡电路,见图2(a)。图中电感L和电容C1、C2组成起选频作用的谐振电路,从电容C2上取出反馈电压加到晶体管VT的基极。从图2(b)看到,晶体管的输入电压和反馈电压同相,满足相位平衡条件,因此电路能起振。由于电路中晶体管的3个极分别接在电容C1、C2的3个点上,因此被称为电容三点式振荡电路。

电容三点式振荡电路的特点是:频率稳定度较高,输出波形好,频率可以高达100兆赫以上,但频率调节范围较小,因此适合于作固定频率的振荡器。它的振荡频率是:f0=1/2πLC,其中C=C1C2C1+C2。
最简单的电容振荡电路图(二)
电容三点式振荡电路原理:
如图2和图3所示,是两个电容三点式的振荡电路。我们应用射同基反判断相位条件是否满足。

先看图2,图2中晶体管的发射极接的是三点式选频网络的2端,集电极接的是1端,基极在交流通路中接地,所以基极相当于接的是3端。发射极与基极问接的单个选频器件是电容C2,发射极与集电极之间接的是电容Cl,发射极与其他两个电极之间接的是电抗性质相同的电容,所以射同已经满足;基极与发射极接的电容C2,基极与集电极之间接的单个选频器件是电感L,电感与电容是两个电抗性质相反的器件,所以基反也是满足的,图2电路支流通路正常,又满足射同基反的条件,所以是可以振荡的。
再看图3。放大器的组态虽然与图2不同,按射同基反分析仍然满足射同基反,直流通路正常,该电路也可以振荡。如果用相位条件判别也是满足的。
最简单的电容振荡电路图(三)
在振荡电路中,能使振荡信号的频率范围得到扩大的电容,它与主电容并联起辅助作用。


最简单的电容振荡电路图(四)
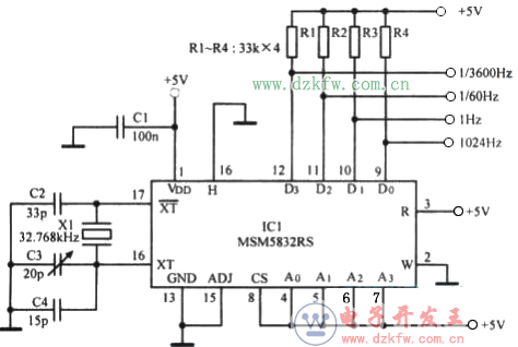
工作原理:电路如图所示。IC1通电后,在其3脚与5脚分别产生正的与负的窄幅脉冲信号。两路脉冲信号经高速运算放大器IC2比较放大后合并成周期为1秒的窄幅脉冲信号,经IC3D型触发器后变成周期为2秒,占空比为1的秒脉冲信号。
调节微调电容C1可以改变石英谐振器SJT的振荡频率。配合高精度的高频计数器调节电容C1便可以得到精确的秒脉冲信号。

精确的秒脉冲信号产生器电路图

精确的基准时钟振荡电路:冲信号产生器
如图所示,由555和R1、R2、C1组成可控的多谐振荡器,它的振荡频率除与RC时间常数有关外,还可由控制端的直流电平来调节。而该直流电平由基准频率f。和555输出的振荡波频率fo=Nfn共同锁定的RS触发器输出的方波,经低通滤波后产生。CD4001的两个或非门电路组成RS触发器,RS触发器在锁定情况下,输出的占空比不变,因而滤波后的直流电平不变。若555的振荡频率f0向高漂移(或fn下降),则占空比加大,直流控制电平会相应增加,会使频率下降;反之亦然。

时钟同步的振荡器电路

编程的时钟振荡器电路图
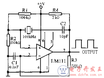
石英晶体矩形波振荡器电路主要用于比较新颖的数字系统的时钟脉冲发生器。该电路的石英晶体处于谐振状态时传输量最大,这时便按晶体的谐振荡率振荡。由于LM111的高输出阻抗与C2的隔离作用,使得石英晶体的负载非常轻。振荡频率的稳定度极高。该电路右获得100KHz的矩形波输出。

石英晶体矩形波振荡器电路图


返回顶部
刷新页面
下到页底