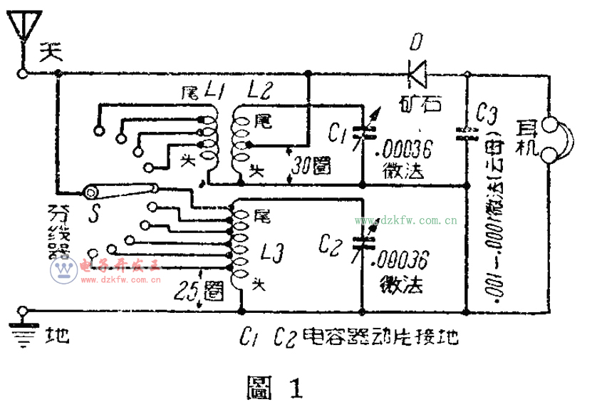
最近制作了一架矿石收音机,它的灵敏度与选择性均能令人满意,见图1。我住在上海北站附近,接上连引入线共约15公尺的天线(水平部分约十公尺),地线接自来水管,上海市各电台均可一一分清,声音宏亮。
图1虽有三个回路,其实它都是天线直接交连检波,所以灵敏度很高,又有三个调节回路,所以选择性也很好。

线圈的绕制:L1的直径是38公厘,L2,L3直径都是51公厘。L2用0.4公厘漆包线密绕80圈,线头接C1动片,尾接C1定片,在30圈处抽出一线头接到分线器的转片和天线接线柱及矿石的一头相连。L3用0.4公厘漆包线密绕90圈,在第25、35、45、55、65和75圈上共抽取6个头,L3的线头接C2动片,尾接C2定片,6个抽头接到分线器上。L1用0.4公厘漆包线密绕45圈,在15、25和35圈上抽3个头,L1线头与L2线头相连,L1线尾及三个抽头都接到分线器上去。L1是放置在L2内,并且可以上下移动的,见图2。L1在L2内移动的办法是在L1的线圈管边上装一个T形的铁皮架,短的一头用螺丝吃紧在L1线圈管边上,长的一头钻一小孔,小孔的大小能通过香蕉插头,并可以紧密地和香蕉插头扣住。另外在L2的旁边用半公厘厚12公厘宽120公厘长的铁皮,上面每隔5公厘钻一个孔,孔的大小与T形架上的孔一样。变成如图2的形状,用螺丝固定在底座上。这就成了L1可以在L2内任意上下移动的支架了。使用时,调节L1在L2内的上下距离,到声音最响而杂音最小之处,将L1管上的T形铁架的孔与L2边上支架的孔对准后,用一枚香蕉插头插好。就把L1固定住了。
矿石收音机电路图二:



C1:110pf空气式陶瓷绝缘半调整电容器,可以根据天线的实际情况选择适当数值的固定电容代替。
C2:250pf固定电容器
D:检波二极管
L1–L4:可变电感线圈,由4个半球形线圈组成,最大电感1188µH,最小电感50µH。每个线圈用22号纱包线绕30圈。(外圈直径4.0英寸,L1-外左半球,L2-外右半球。内圈直径3.9英寸,L3-内左半球,L4-内右半球)
S1:单刀10掷小型旋转开关(只用4档)
S2:单刀10掷小型旋转开关(只用3档)
耳机:4500ΩDCM耳机
矿石收音机电路图五:
这个矿石收音机的天线回路增益很高,在本地有强电台的地方您可以不用外接天线收听广播。天线线圈一段计算机用的15根排线。截取2M长,将两端线头剥出,每根线位移一位后头尾连接,头尾两根引出构成一个框型天线。印刷线路板很简单,可以用普通的万能板来代替。
矿石收音机电路图六:

线圈在直径11cm的PVC硬塑管上用Φ1.0mm的漆包线平绕,L1绕30圈,电感量139μH。在距地13圈处抽头。L2绕45圈,电感量220μH。耳机用4400Ω头戴式。
单连可变电容用的是小型聚乙烯塑料介质的,容量20~365p。也可以使用其他规格的365p单连或双连(用其中的一连)。检波管用2AP9,也可以用其他2AP型点接触型二极管,用3AG型三极管的bc结当二极管也行。不能用硅二极管或三极管,也不能用整流二极管。
耳机必须用高阻的,阻抗要高于800Ω。这里用的是军用耳机,这种耳机目前比较好得到。耳机上并联的2200p电容是检波以后的高频成分通路。由于高阻耳机的线圈分布电容较大,所以这个电容也可以不用,由实验决定吧。
此机在北京市内能收到本地8个电台,选择性不错,除1000KHz附近的两个电台频率接近区分得较差以外,其他台都能分清,音量较大。
使用室外T形天线,水平部分高度5m,长度10m,从水平段的中部引入室内,等效电容170p。地线用长50cm的“6分管”自来水铁管打入地下,铁管一端打孔,用螺丝拧紧引入线。
思考:
L1和单连可变电容以及天线的等效电容组成调谐回路。因为天线电容是固定的不可改变,所以它的引入使得频率覆盖范围减少。为了能完整地接收中波段,增设了一个单刀双掷的开关。开关在“天一”位置时接收535~1000KHz,在天二位置时接收900~1600KHz并且每一个电台都能精确谐振。
由于每个人架设的天线尺寸和高度都不一样,天线等效电容也就各不相同,所以L1绕多少圈、在多少圈处抽头,最好也要实验决定,实验的目的是做到合适当接收范围。
L2的作用是使检波回路与调谐回路达到阻抗匹配。耳机4400欧指的是直流电阻,而它的音频交流阻抗约为40KΩ。耳机与检波二极管2AP9组成的检波回路作为调谐回路的负载,阻抗约为60KΩ。如果不用L2,而是把二极管直接接在L1的上端,会发现选择性降低、音量减小,这就是阻抗失配造成的,所以阻抗匹配搞好了,对于矿石机来说是很重要的。如果耳机是其他阻抗的,要达到阻抗匹配,就要改变L2的圈数。大体来讲,耳机的阻抗越高,L2的圈数就要越多,耳机的阻抗越低,L2的圈数就要越少,具体圈数可以实验决定。


返回顶部
刷新页面
下到页底