无电源收音机不是不消耗电能,而是不需配备电源。它工作消耗的电能也来源于天线,天线的优劣决定了接收效果。良好的室外天线,采用铜或铜绞线,从强度考虑直径应大于4mm,高出屋顶10米,倒L时水平长度20米,二端用瓷绝缘子,引下线和墙窗有良好绝缘,本地台功率强,距离近时天线可以简化,同时也要有良好的地线,导线要粗,接地电阻要小,深埋达到冬天冻土层以下。所有导线的接头最好锡焊。类似的无电源收音机,还有采用地电池的,就是用铁铜或铝铜,锌炭电极,相距10厘米埋入地下,引线也用同种金属,如果做得好,测得的空载电压大于1.8V。无源收音机所用元器件为了尽量减少损耗,应该有所选择。用于绕制线圈的铜线要尽量用粗线(或多股合线);各种支持物骨架使用有机玻璃;电容要用高频瓷片;电解用钽质;耳机用高阻抗式;可变电容用空气式;凡是二极管均用锗2AP3、2AP9;三极管选用PNP高频管3AG14或3AG80E等。制作工艺的要点是使用环氧或有机玻璃安装板,连线争取尽量短和粗,必须锡焊等,下面用具体的电路来展示无电源收音机的发展轨迹。
1、最简单的不调谐检波式,形同矿石收音机,只是用二极管代替了矿石。
2、抽动磁棒来改变线圈电感量以调谐电台。天线对地的分布电容等效为谐振电容。
3、用选择开关改变线圈抽头的办法和天线分布电容组成谐振回路来调谐电台,电容C是高频旁路电容。
4、使用可变电容调谐,更均匀细致,天线和检波的抽头使回路达到匹配。
5、天线和检波同时用选择开关,可达到最佳匹配。
6、双回路调谐电路,使选择性大为提高。
7、单调谐双回路电路,磁性天线耦合。
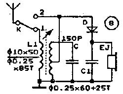
8、短磁棒耦合,两根分别调节,省去可变电容,K接1时互感耦合,接2时直接耦合。
9、双回路,调谐回路在L2。
10、三回路式,选择性最佳,L1、L2绕在同一筒上,L3另筒绕制。
11、天线中串有并联谐振滤波,抑制串台。
12、收听短波的电路,但天线要加长到50米,机内连线加粗到Φ2mm。可变电容是串联的,线圈L1套入L2调节。180PF可变电容为360PF双连拆去其中一联动片得到。
13、倍压检波电路,音量将增强。
14、全波电路,经选择式抽头性能提高。
15、不装地线,在城市附近可成为便携式。
16、单管完成检波、整流、放大的电路,左为共集电极,右为共基极,适合强台旁使用。
17、独立的电磁波电源实验,强电台旁测得空载电压达2.1V,短路电流120uA。
18、单回路独立检波,BG只负责共射放大。
19、独立整流供电,BG完成检波放大。
20、倍压整流,BG完成检波放大。
21、高效全波检波,比图20增益高10dB。
22、检波和整流供电回路分离,当断开图中“X”处,使用二副天线时音量增大。
23、独立供电再生式,灵敏度、音量大为提高。
24、又一个检波整流分离独立的电路,由于采用了选择开关,改善了电路匹配。
25、再生式,由于独立电源电路采用倍压式,音量较大,数据同图23.
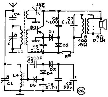
26、整流电路三倍压,全波检波再生式,性能更有提高,除图中标注数据余同图25.
27、二波段再生式,但要更换线圈,可设计成开关转换,C3为回输再生电容,天线串联谐振支路提供电磁能,中波时L1为Φ0.38mm、149.6T,L2为Φ0.38mm、41.3T;短波时1.5-4MHz则L1为Φ0.55mm、49.2T,L2为Φ0.55mm、11.2T;4-11MHz则L1为Φ0.72mm、18.4T,L2为Φ0.72mm、4.2T。筒径Φ20mm。
28、地电池中波收音机,可用0.1W喇叭放音,输出较大。
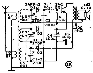
29、该机的特点是供电电压较高,有两个独立的整流回路串联,故输出音量较大。
30、发射机:从图中可知高频振荡是电感耦合调基极集电极电路,电源能量来源于高灵敏压电陶瓷喇叭,通过音频变压器匹配耦合,经D半波整流和高频扼流圈RFC后给出,话音信频在发射极调制,选择C和L参数,使高频载波在中波高频,就可用中波收音机接收。


返回顶部
刷新页面
下到页底