电子开发网

电子开发网电子设计 | 电子开发网Rss 2.0 会员中心 会员注册
搜索: 您现在的位置: 电子开发网 >> 电子开发 >> PLC基础入门教程 >> 正文

西门子PLC控制的专用自动攻丝系统设计,运动控制伺服控制系统设计

作者:佚名    文章来源:网络整理    点击数:    更新时间:2024/10/16

PLC控制的专用自动攻丝系统设计

 

摘要:针对某企业专用零件攻丝生产效率低、加工精度差等问题,设计了专用自动攻丝系统。该系统主要以西门子200系列PLC为主控制器,松下A5系列伺服电机为执行机构,配套伺服驱动器为硬件平台。使用STEP7-Micro/WIN软件编写指令产生高速脉冲串实现伺服驱动器的位置控制,最终实现了丝锥对零件的精确定位加工。系统操作简单、运行安全稳定,提高了生产效率,降低了加工成本。

关键词:专用自动攻丝系统;PLC;伺服电机;位置控制

0 引言

在自动化生产、加工制造过程中,经常需要对加工零配件进行攻丝,然而传统的加工设备生产效率低,且产品攻丝精度不能保证。目前市场上的自动攻丝设备价格昂贵,操作复杂,为满足快速高精度的加工要求,在运动控制系统中,通常以伺服电机作为驱动设备。本文结合PLC抗干扰能力强、稳定性好等优点,采用西门子PLC控制伺服电机的旋转运动并将其转化为丝锥的直线运动这一思想,设计了专用自动攻丝系统。

1 控制系统方案

1.1 自动攻丝系统主要组成

图1为自动攻丝系统工作示意图。本系统主要由操作台控制PLC发送脉冲指令来控制伺服驱动器,伺服驱动器把接收到的脉冲信号转化为电信号来驱动伺服电机的转动从而控制丝锥旋转台上的丝锥对工件进行攻丝。根据被控对象和输入输出信号的数量、类型及控制要求[2-3],决定采用西门子PLC CPU224XP CN DC\DC\DC作为主控制器,考虑到生产加工精度要求,选用螺距为5 mm的丝杠,丝锥规格M5。为方便用户使用,在操作台上分别设置了启动按钮和停止按钮,工作台的零点定位和超程限位由高精度电感式接近开关实现,其中A、B处为限位开关,O处为原点检测开关。

  

图1 自动攻丝系统工作示意图

1.2 伺服电机的选取与控制方式的选择

根据电机所需负载扭力、速度、精度等要求,本系统选用松下交流伺服电机MSME041G1,配套伺服驱动器MCDHT3120作为本系统的动力部分。由于位置控制模式是通过外部输入脉冲指令来确定转动轴转动速度的快慢与转动的角度,故本系统采用位置控制模式控制伺服电机的启停、正转和反转。

2 控制系统的电路设计

2.1 控制系统原理

图2为控制系统原理图。PLC按照所编写的程序指令发送脉冲信号给伺服驱动器,经过滤波倍频处理后输出相应电信号并转换成电动机轴上的角位移或角速度,通过轴上的联轴器带动攻丝旋转台上的丝杠使丝锥做直线运动,因此只需要调节输出的脉冲信号就可以间接完成丝锥移动的速度和距离控制。已知编码器规格为20 bit,电机的额定转速为3 000 r/min,丝杠通过联轴器直接与伺服电机联接,传动比为1∶1,其中下限位传感器所在位置A距离工件底面C是20 mm,上限位传感器B所在位置距离原点O是20 mm,丝锥在原点O距离工件表面E的垂直高度是100 mm,工件需要攻丝的尺寸为60 mm。结合加工精度与生产效率考虑,设定位置分辨率ΔM=0.005 mm,则指令分倍频比 =

 

从原点位置O运动到工件表面位置E所需脉冲数 =2.0×104,

 

从工件表面E位置攻丝到目标位置C所需脉冲数 =1.2×104。

 

 

2.2 伺服电机与驱动器电路设计

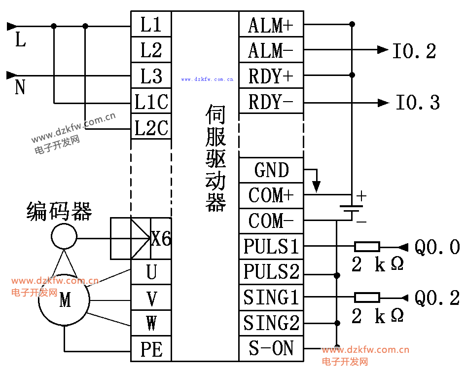
图3为伺服驱动器主要接线图。图3中,L1、L2、L3为伺服驱动器的主回路电源接线端子,L1C、L2C为控制回路电源接线端子,并联后接入交流220 V电源;U、V、W为输出电机的电源接线端子,PE为电机的地线端子,伺服电机编码器线与驱动器X6接口对接;ALM+/ALM-为报警信号输出端子,ALM-接PLC输入端子I0.2;RDY+/RDY-为伺服准备信号输出端子,RDY-接入PLC输入端子I0.3;GND为信号接地端子,COM+与外接24 V直流电源的正极相连,COM-与外接24 V直流电源的负极相连;脉冲信号端子PULS1/PULS2与方向信号端子SING1/SING2为位置控制模式下所特有的两路信号端子,PULS1连接PLC的输出端子Q0.0,SING1连接PLC的输出端子Q0.2,为使输入电流保持在伺服驱动器允许的范围内,此时各需串联一个2 kΩ的电阻,当方向信号端子接收信号变化时,伺服电机的运转方向发生改变,具体转动方向与所设参数有关;S-ON为伺服使能信号输入端子,连接24 V直流电源负极。

  

图2 控制系统原理图

  

图3 伺服驱动器主要接线图

2.3 I/O地址分配

PLC采用PTO脉冲串输出方式来实现伺服电机的位置控制,根据上述设置的电子齿轮比可知电机每一转所需的脉冲数为1 000,如果电机运行在最高速度,

则PLC输出脉冲频率为 =50 kHz。由于CPU224XPCN晶体管输出最高频率达100 kHz,故选用CPU224XP CN DC/DC/DC可以满足上述要求。此型号CPU配置有两个内置脉冲发生器端口Q0.0和Q0.1,以Q0.0作为伺服驱动器的脉冲输入端子,根据分析得到的PLC I/O分配如表1所示。

表1 PLC的I/O分配

 

地址功能地址功能I0.0急停按钮I0.6丝锥原点位置O信号I0.1启动按钮Q0.0脉冲信号I0.2伺服驱动器报警Q0.2方向信号I0.3伺服电机准备Q0.3丝锥正向旋转I0.4工作台下限位Q0.4丝锥反向旋转I0.5工作台上限位

3 系统软件设计

3.1 伺服驱动器主要参数设置

伺服驱动器主要参数设置见表2。其中,Pr0.00设为0,正向指令时,从轴侧看电机为顺时针方向旋转,负向指令时,从轴侧看电机为逆时针方向旋转;参数Pr0.01为控制模式选择,设置0为位置控制模式;Pr0.05为指令脉冲输入模式选择功能代码,设置0为光电耦合器输入;Pr0.06为指令脉冲极性设置功能代码,Pr0.07为指令脉冲输入模式选择功能代码,两指令须配合使用,本控制系统采用脉冲序列+符号脉冲串输出形式,设定Pr0.06=0,Pr0.07=3;Pr0.09与Pr0.10分别为指令分倍频的分子与分母参数设置功能代码,由于指令分倍频比D=1 048 576/1 000,设置Pr0.09=1 048 576,Pr0.10=1 000。

表2 伺服驱动器主要参数设置

 

参数代码参数名称设定范围设定值Pr0.00旋转方向设定0~10Pr0.01控制模式设定0~60Pr0.05指令脉冲输入选择0~10Pr0.06指令脉冲极性设置0~10Pr0.07指令脉冲输入模式设置0~33Pr0.09指令分倍频分子0~2301048576Pr0.10指令分倍频分母1~2301000

3.2 控制过程分析

图4为PLC控制系统流程。上电按下启动按钮,PLC首先会进行程序初始化,检测无异常报警后,若丝锥没有回到原点位置O,则启动回参考点子程序进行回原点操作,确认丝锥回到原点位置O后,丝锥开始转动,调用丝锥进刀加工子程序,PLC发出脉冲信号,丝锥从原点位置O经过先加速后恒速再减速到达工件表面E位置,再恒速进给到目标位置C,停止进刀1 s后,调用丝锥退刀子程序,丝锥与伺服电机反方向恒速退回到工件表面E位置,经过先加速后恒速再减速退回到原点O位置后,系统停机,等待下次启动。此时完成了一个工作循环,每点动一次启动按钮完成一个零件的加工,如此反复循环完成对批量零件的攻丝。

  

图4 PLC控制系统流程

3.3 程序设计

PLC通过高速脉冲发生端口Q0.0输出的脉冲频率来控制伺服电机轴转动快慢,由输出脉冲的个数来控制伺服电机转动的角度,经过对系统工作流程进行分析,根据产品加工生产效率与质量要求,采用模块化编程设计思想,将自动攻丝系统程序分为主程序加3个子程序和3个中断程序,程序结构如图5所示。

  

图5 程序结构

4 结束语

通过分析专用零件攻丝过程与产品加工要求,利用西门子PLC与松下伺服电机相结合,采用伺服电机位置控制模式,设计了专用自动攻丝系统,系统自动化程度高,提高了生产效率;合理利用主机自带的两路高速脉冲输出端口控制伺服电机的运动,节约了成本。其应用还可以扩展到类似的两台伺服电机或步进电机控制的加工设备中,对类似的运动控制方式具有一定的参考借鉴价值。

参考文献:

[1]张传林,徐世许,王世红,等.伺服系统在自动攻丝生产线上的应用.机械制造与自动化,2010,39(1):146-147.

[2]李清香,丁时锋,熊俭,等.PLC控制的液压剪板机系统设计.机械设计与制造,2007(11):156-157.

[3]黄辉,郝晓曦,杨铁牛,等.PLC控制的专用钻孔系统设计.机械设计与制造,2009(11):63-65.

[4]刘媛媛,张如萍,张正和,等.基于伺服电机和PLC的工作台运动控制.机械工程与自动化,2012(4):126-128.

[5]胡佳丽,闫宝瑞,张安震,等.S7-200 PLC在伺服电机位置控制中的应用.自动化仪表,2009,30(12):38-41.

[6]刘本学,申俊,董刚,等.高效自动攻丝机的设计及控制研究.制造业自动化,2014(21):87-90.

文章编号:1672-6413(2016)04-0149-02

收稿日期:2015-12-04;

修订日期:2016-05-19

作者简介:杨侠(1978-),男,湖北安陆人,教授,博士,硕士生导师,主要从事石油机械、化工机械、电气自动化方面的研究。

中图分类号:TP273

文献标识码:A

Design of Special Automatic Tapping System Based on PLC

YANG Xia, LI Shu-peng, XIAO Ang, GUO Zhao

(School of Mechanical and Electrical Engineering, Wuhan Institute of Technology, Wuhan 430073,China)

Abstract: A special automatic tapping system is designed to improve production efficiency and machining precision of the special tapping parts by cooperating with the enterprise. The system is mainly comprised of Siemens 200 series PLC that is the main controller, Panasonic A5 series servo motor as the actuator, matching servo drive as hardware platform. By using STEP7-Micro/WIN software to write instructions to generate high-speed pulse sequence, the position control of AC servo driver is achieved, it has finally achieved the precise positioning fabrication of the parts. The system operation is simple, safe and stable, which improves the production efficiency and reduces the manufacturing cost. It will has a good application foreground in the aspect of special components bath tapping, and the control method has certain reference value for similar automation production equipment.

Key words: special automatic tapping system; PLC; position control

*国家自然科学基金资助项目(51276131)

Tags:运动控制,自动攻丝系统,西门子plc  
责任编辑:admin
请文明参与讨论,禁止漫骂攻击,不要恶意评论、违禁词语。 昵称:
1分 2分 3分 4分 5分

还可以输入 200 个字
[ 查看全部 ] 网友评论
推荐文章
最新推荐
关于我们 - 联系我们 - 广告服务 - 友情链接 - 网站地图 - 版权声明 - 在线帮助 - 文章列表
返回顶部
刷新页面
下到页底
晶体管查询