电子开发网

电子开发网电子设计 | 电子开发网Rss 2.0 会员中心 会员注册
搜索: 您现在的位置: 电子开发网 >> 电子开发 >> 常用电子制作 >> 正文

声控继电器电路图

作者:佚名    文章来源:本站原创    点击数:    更新时间:2011-9-27

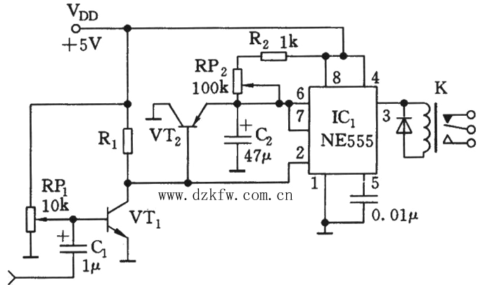
如图所示,该电路由声音检测电路和单稳触发电路组成,执行元件为继电器。VT1完成输入音频信号的放大,当有信号来时,使555置位,K吸合。同时,VT2导通,C2上的电荷通过555内部的放电管和VT2迅即放完。声音过后,VT1、VT2截止,C2通过R2、RP2对其充电,单稳态电路的暂稳时间td=l.1(R2+RP2)C2,延时范围在0.05~0.5秒,可通过RP2来调节。

声控开关电路,声控继电器电路 

Tags:声控,继电器电路图,声控开关,继电器开关  
责任编辑:admin
  • 上一篇文章:
  • 下一篇文章:
  • 请文明参与讨论,禁止漫骂攻击,不要恶意评论、违禁词语。 昵称:
    1分 2分 3分 4分 5分

    还可以输入 200 个字
    [ 查看全部 ] 网友评论
    关于我们 - 联系我们 - 广告服务 - 友情链接 - 网站地图 - 版权声明 - 在线帮助 - 文章列表
    返回顶部
    刷新页面
    下到页底
    晶体管查询