电子开发网

电子开发网电子设计 | 电子开发网Rss 2.0 会员中心 会员注册
搜索: 您现在的位置: 电子开发网 >> 电子开发 >> PLC基础及应用 >> 正文

PLC一个声控开关控制的照明灯控制程序的梯形图举例

作者:佚名    文章来源:本站原创    点击数:    更新时间:2016-2-27

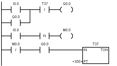
试设计一个照明灯的控制程序。当接在I0.0上的声控开关感应到声音信号后,接在Q0.0上的照明灯可发光30S。如果在这段时间内声控开关又感应到声音信号,则时间间隔从头开始。这样可确保最后一次感应到声音信号后,灯光可维持30S的照明。
答案:参考梯形图

PLC声控开关梯形图
Tags:PLC,梯形图,声控开关  
责任编辑:admin
请文明参与讨论,禁止漫骂攻击,不要恶意评论、违禁词语。 昵称:
1分 2分 3分 4分 5分

还可以输入 200 个字
[ 查看全部 ] 网友评论
关于我们 - 联系我们 - 广告服务 - 友情链接 - 网站地图 - 版权声明 - 在线帮助 - 文章列表
返回顶部
刷新页面
下到页底
晶体管查询