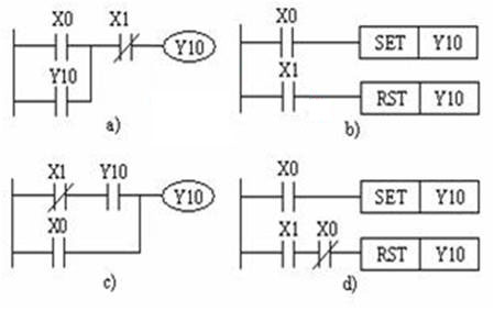
1、启动、保持和停止电路
实现Y10的启动、保持和停止的四种梯形图如图所示。这些梯形图均能实现启动、保持和停止的功能。X0为启动信号,X1为停止信号。图a、c是利用Y10 常开触点实现自锁保持,而图b、d是利用SET、RST指令实现自锁保持。
2、三相异步电动机正反转控制
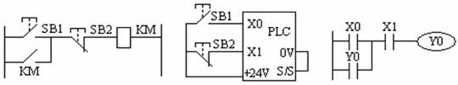
3、常闭触点输入信号的处理
如果输入信号只能由常开触点提供,梯形图中的触点类型与继电器电路的触点类型完全一致。
如果接入PLC的是输入信号的常闭触点,这时在梯形图中所用的X1的触点的类型与PLC外接SB2的常开触点时刚好相反,与继电器电路图中的习惯也是相反的。建议尽可能采用常开触点作为PLC的输入信号。
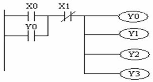
4、多继电器线圈控制电路
下图是可以自锁的同时控制4个继电器线圈的电路图。其中X0是起动按钮,X1是停止按钮。



返回顶部
刷新页面
下到页底