时基芯片555应用电路
555电路在应用和工作方式上一般可归纳为3类。每类工作方式又有很多个不同的电路。在实际应用中,除了单一品种的电路外,还可组合出很多不同电路,如:多个单稳、多个双稳、单稳和无稳,双稳和无稳的组合等。这样一来,电路变的更加复杂。为了便于我们分析和识别电路,更好的理解555电路,这里我们这里按555电路的结构特点进行分类和归纳,把555电路分为3大类、8种、共18个单元电路。每个电路除画出它的标准图型,指出他们的结构特点或识别方法外,还给出了计算公式和他们的用途。方便大家识别、分析555电路。下面将分别介绍这3类电路。
单稳类电路
单稳工作方式,它可分为3种。见图示。
第1种(图1)是人工启动单稳,又因为定时电阻定时电容位置不同而分为2个不同的单元,并分别以1.1.1 和1.1.2为代号。他们的输入端的形式,也就是电路的结构特点是:“RT-6.2-CT”和“CT-6.2-RT”。
第2种(图2)是脉冲启动型单稳,也可以分为2个不同的单元。他们的输入特点都是“RT-7.6-CT”,都是从2端输入。1.2.1电路的2端不带任何元件,具有最简单的形式;1.2.2电路则带有一个RC微分电路。
第3种(图3)是压控振荡器。单稳型压控振荡器电路有很多,都比较复杂。为简单起见,我们只把它分为2个不同单元。不带任何辅助器件的电路为1.3.1;使用晶体管、运放放大器等辅助器件的电路为1.3.2。图中列出了2个常用电路。
双稳类电路
这里我们将对555双稳电路工作方式进行总结、归纳。555双稳电路可分成2种。
第一种(见图1)是触发电路,有双端输入(2.1.1)和单端输入(2.1.2)2个单元。单端比较器(2.1.2)可以是6端固定,2段输入;也可是2端固定,6端输入。
第2种(见图2)是施密特触发电路,有最简单形式的(2.2.1)和输入端电阻调整偏置或在控制端(5)加控制电压VCT以改变阀值电压的(2.2.2)共2个单元电路。
双稳电路的输入端的输入电压端一般没有定时电阻和定时电容。这是双稳工作方式的结构特点。2.2.2单元电路中的C1只起耦合作用,R1和R2起直流偏置作用。
无稳类电路
第三类是无稳工作方式。无稳电路就是多谐振荡电路,是555电路中应用最广的一类。电路的变化形式也最多。为简单起见,也把它分为三种。
第一种(见图1)是直接反馈型,振荡电阻是连在输出端VO的。
第二种(见图2)是间接反馈型,振荡电阻是连在电源VCC上的。其中第1个单元电路(3.2.1)是应用最广的。第2个单元电路(3.2.2)是方波振荡电路。第3、4个单元电路都是占空比可调的脉冲振荡电路,功能相同而电路结构略有不同,因此分别以3.2.3a 和3.2.3b的代号。
第三种(见图3)是压控振荡器。由于电路变化形式很复杂,为简单起见,只分成最简单的形式(3.3.1)和带辅助器件的(3.3.2)两个单元。图中举了两个应用实例。
无稳电路的输入端一般都有两个振荡电阻和一个振荡电容。只有一个振荡电阻的可以认为是特例。例如:3.1.2单元可以认为是省略RA的结果。有时会遇上7.6.2三端并联,只有一个电阻RA的无稳电路,这时可把它看成是3.2.1单元电路省掉RB后的变形。
以上归纳了555的3类8种18个单元电路,虽然它们不可能包罗所有555应用电路,古话讲:万变不离其中,相信它对我们理解大多数555电路还是很有帮助的。
各种应用电路
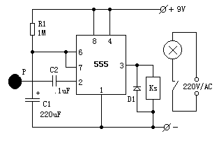
555触摸定时开关
集成电路IC1是一片555定时电路,在这里接成单稳态电路。平时由于触摸片P端无感应电压,电容C1通过555第7脚放电完毕,第3脚输出为低电平,继电器KS释放,电灯不亮。
当需要开灯时,用手触碰一下金属片P,人体感应的杂波信号电压由C2加至555的触发端,使555的输出由低变成高电平,继电器KS吸合,电灯点亮。同时,555第7脚内部截止,电源便通过R1给C1充电,这就是定时的开始。
当电容C1上电压上升至电源电压的2/3时,555第7脚道通使C1放电,使第3脚输出由高电平变回到低电平,继电器释放,电灯熄灭,定时结束。
定时长短由R1、C1决定:T1=1.1R1*C1。按图中所标数值,定时时间约为4分钟。D1可选用1N4148或1N4001。
相片曝光定时器
附图电路是用555单稳电路制成的相片曝光定时器。用人工启动式单稳电路。
工作原理: 电源接通后,定时器进入稳态。此时定时电容CT的电压为:VCT=VCC=6V。对555这个等效触发器来讲,两个输入都是高电平,即VS=0。继电器KA不吸合,常开点是打开的,曝光照明灯HL不亮。
按一下按钮开关SB之后,定时电容CT立即放到电压为零。于是此时555电路等效触发的输入成为:R=0、S=0,它的输出就成高电平:V0=1。继电器KA吸动,常开接点闭合,曝光照明灯点亮。按钮开关按一下后立即放开,于是电源电压就通过RT向电容CT充电,暂稳态开始。当电容CT上的电压升到2/3VCC既4伏时,定时时间已到,555等效电路触发器的输入为:R=1、S=1,于是输出又翻转成低电平:V0=0。继电器KA释放,曝光灯HL熄灭。暂稳态结束,有恢复到稳态。
曝光时间计算公式为:T=1.1RT*CT。本电路提供参数的延时时间约为1秒~2分钟,可由电位器RP调整和设置。
电路中的继电器必需选用吸合电流不应大于30mA的产品,并应根据负载(HL)的容量大小选择继电器触点容量。
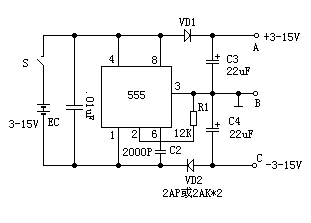
单电源变双电源电路
附图电路中,时基电路555接成无稳态电路,3脚输出频率为20KHz、占空比为1:1的方波。3脚为高电平时,C4被充电;低电平时,C3被充电。由于VD1、VD2的存在,C3、C4在电路中只充电不放电,充电最大值为EC,将B端接地,在A、C两端就得到+/-EC的双电源。本电路输出电流超过50mA。
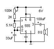
简易催眠器
时基电路555构成一个极低频振荡器,输出一个个短的脉冲,使扬声器发出类似雨滴的声音(见附图)。扬声器采用2英寸、8欧姆小型动圈式。雨滴声的速度可以通过100K电位器来调节到合适的程度。如果在电源端增加一简单的定时开关,则可以在使用者进入梦乡后及时切断电源。
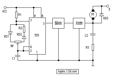
直流电机调速控制电路
这是一个占空比可调的脉冲振荡器。电机M是用它的输出脉冲驱动的,脉冲占空比越大,电机电驱电流就越小,转速减慢;脉冲占空比越小,电机电驱电流就越大,转速加快。因此调节电位器RP的数值可以调整电机的速度。如电极电驱电流不大于200mA时,可用CB555直接驱动;如电流大于200mA,应增加驱动级和功放级。
图中VD3是续流二极管。在功放管截止期间为电驱电流提供通路,既保证电驱电流的连续性,又防止电驱线圈的自感反电动势损坏功放管。电容C2和电阻R3是补偿网络,它可使负载呈电阻性。整个电路的脉冲频率选在3~5千赫之间。频率太低电机会抖动,太高时因占空比范围小使电机调速范围减小。
用555制作的D类放大器
我们知道D类放大器具有体积小、效率高的特点。这里介绍一个用555电路制作的简易D类放大器。它是利用555电路构成一个可控的多谐振荡器,音频信号输入到控制端得到调宽脉冲信号(如图),基本能满足一般的听音要求。
由IC 555和R1、R2、C1等组成100KHz可控多谐振荡器,占空比为50%,控制端5脚输入音频信号,3脚便得到脉宽与输入信号幅值成正比的脉冲信号,经L、C3接调、滤波后推动扬声器。
风扇周波调速电路
夏天要来了,电风扇又得派上用场。这里介绍一个电风扇模拟阵风周波调速电路,可以为将我们家里的老式风扇增加一个实用功能,也算是一个迎接夏天到来的准备吧。下面介绍其工作原理。
电路见图1a。电路中NE555接成占空比可调的方波发生器,调节RW可改变占空比。在NE555的3脚输出高电平期间,过零通断型光电耦合器MOC3061初级得到约10mA正向工作电流,使内部硅化镓红外线发射二极管发射红外光,将过零检测器中光敏双向开关于市电过零时导通,接通电风扇电机电源,风扇运转送风。在NE555的3脚输出低电平期间,双向开关关断,风扇停转。
MOC3061本身具有一定驱动能力,可不加功率驱动元件而直接利用MOC3061的内部双向开关来控制电风扇电机的运转。RW为占空比调节电位器,亦即电风扇单位时间内(本电路数据约为20秒)送风时间的调节,改变C2的取值或RW的取值可改变控制周期。
图1b电路为MOC3061的典型功率扩展电路,在控制功率较大的电机时,应考虑使用功率扩展电路。制作时,可参考图示参数选择器件。由于电源采用电容压降方式,请自制时注意安全,人体不能直接触摸电路板。
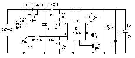
电热毯温控器
一般电热毯有高温、低温两档。使用时,拨在高温档,入睡后总被热醒;拨在低温档,有时醒来会觉得温度不够。这里介绍一种电热毯温控器,它可以把电热毯的温度控制在一个合适的范围。
工作原理:
电路如图所示。图中IC为NE555时基电路。RP3为温控调节电位器,其滑动臂电位决定IC的触发电位V2和阀电位Vf,且V5=Vf=2Vz。220V交流电压经C1、R1限流降压,D1、D2整流、C2滤波,DW稳压后,获得9V左右的电压供IC用。室温下接通电源,因已调V2Vz,V6≥Vf时,IC翻转,3脚变为低电平,BCR截止,电热丝停止发热,温度开始逐渐下降,BG1的ICEO随之逐渐减小,V2、V6降低。当V6元件选择:
BG1可选用3AX、3AG等PNP型锗管;BCR用400V以上的小型双向可控硅,其它元件按图标选用。
制作要点:
热敏传感器BG1可用耐温的细软线引出,并将其连同管脚接头装入。一电容器铝壳内,注入导热硅脂,制成温度探头。使用时,把该温度探头放在适当部位即可。
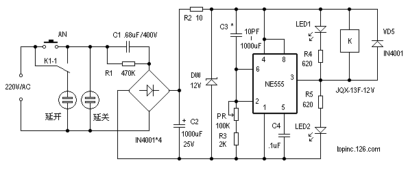
多用途延迟开关电源插座
家用电器、照明灯等电源的开或关,常常需要在不同的时间延迟后进行,本电源插座即可满足这种不同的需要。
工作原理:电路如图所示,它由降压、整流、滤波及延时控制电路等部分组成。 
按下AN,12V工作电压加至延迟器上,这时NE555的②脚和⑥ 脚为高电平,则NE555的③ 脚输出为低电平,因此继电器K得电工作,触点K1-1向上吸合,这时“延关”插座得电,而“延开”插座无电。
这时电源通过电容器C3 、电位器RP、电阻器R3至“地”,对C3进行充电,随着C3上的电压升高,NE555的②、⑥脚的电压越来越往下降,当此电压下降至2/3Vcc 时,NE555的③脚输出由低电平跳变为高电平,这时继电器将失电而不工作,则其控制触点恢复原位,则“延关”插座失电,而“延开”插座得电。就这样满足了不同的需求,LED、LED2作相应的指示。
本电路只要元器件是好的,装配无误,装好即可正常工作。
延时时间由C3及PR+R3的值决定,T≈1.1C3(PR+R3)。RP指有效部分。C3可用数十pF至1000μF的电容器,(PR+R3)的值可取2K~10MΩ。
C1的耐压值应≥400V,R1的功率应≥2W,AN按钮开关可选用K-18型的,继电器的型号为JQX-13F-12V。其它元器件无特殊要求。


返回顶部
刷新页面
下到页底