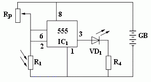
1.触摸延时“小灯”
图5-43是它的电路,它将触摸开关发光二极管的实验中加入延时电路,调整可调电阻阻值和电容量达到延时效果。要想增加延时的时间,就调换大容量的电容,如400μF、1000μF等。如果作为夜间床头定时灯、楼道定时灯等,可拆去发光二极管和电阻,换一个6伏的小灯即可。
图5-43
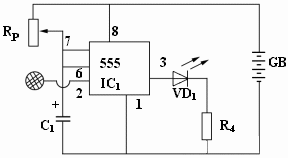
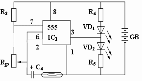
2.触摸延时音乐门铃
图5-44是它的电路图,与图5-45比较,将触摸延时“小灯”电路中拆去发光二极管,改为连接音乐片电路即可。它可以当作门铃使用,也可安置在人手触摸处作为瞬间报警器。
图5-44
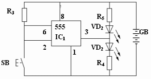
3.手控行车红绿灯指示器模型
图5-45是它的电路图,先做一个红绿灯灯架,将红绿发光二极管固定在灯架上,按图连接后,只要向下按动按键,则红灯变为绿灯,手一离开便又成为红灯。
图5-45
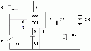
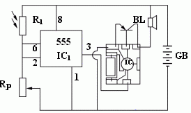
4.可自动控制的行车红绿灯指示器模型
图5-46是它的电路图,只将上图的手控改为磁控,再加上延时电路,就可以将上述模型改为路灯自动控制。先制作一个街道模型和指示灯架,将干簧管设在指示灯前方的道路模型的下方。在一辆模型汽车的底部粘一块磁铁。当汽车行过干簧管上方时,电路导通,红灯变为绿灯,汽车继续向前行驶,由于延时电路作用,使绿灯亮一段时间,保证汽车驶过路口。需要注意的是根据汽车模型的速度,调整干簧管的位置和电路延时的时间。
图5-46
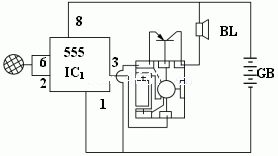
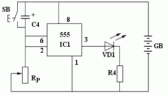
5.灯塔模型
先用硬纸做一个灯塔模型。图5-47是它的电路图,它只取闪光电路的一部分——一个绿发光二极管作为塔灯。最后调整好闪烁时间。
图5-47
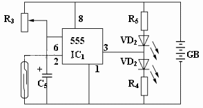
6.夜间打灯光靶
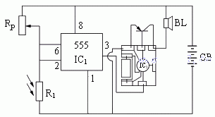
图5-48是它的电路图,它与闪光电路相比,集成电路的脚①是单独与负极连接,而电容与R5却是经过干簧管与负极连接。先按图14做一个一碰便可以翻倒的靶牌。在靶子的底部固定一块磁铁,将电路中的干簧管固定在与磁铁相对应的支架底板上。绿色发光二极管放置在靶心位置上,红色发光二极管诱因在支架的底部。游艺时,将靶牌放在暗处,干簧管在磁场作用下导通,两个发光二极管相互闪光,绿色发光二极管指示靶心。当靶子被击倒后,虽然干簧管失去了磁场的作用电路断开,但这时电路并未全部不通,红色发光二极管不会常亮,表示击中靶子。如果把靶牌放到运动的车模上,打靶更加紧张有趣。
图5-48
7.发报练习器
图5-49是它的电路图,它是在音响电路中接入按键代替电键使用,做成一个发报练习器的,音调高低可自己选定。也可以自己做一个电键。
图5-49
国际莫尔斯码字符如下:
如果将自己一方的电键的两根导线接在另一个同学电路中,同时把对方同学的电键两根导线接在自己电路中,那么这俩人之间就可以互相发报传送信息了。
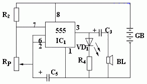
8.一种平时不耗电的磁控报警器
图5-50是它的电路图,它是在音响电路中接入干簧管,再将干簧管放入两块相吸引的磁铁之间,这时,干簧管并不闭合,电路不导通。当移动一块磁铁后干簧管立即闭合,电路导通报警。制作时先把干簧管安放在门窗的木框上,同时把一块磁铁固定在干簧管的上方,把另一块磁铁安放在门窗对着干簧管处的下方,注意一定要使这两块磁铁相吸,这时干簧管不导通,喇叭不发出音响。一旦门窗打开,干簧管被上方磁铁吸引闭合,电路导通,发出音响报警。
9.断线报警器
在电路图5-51中的A、B两点是用一根细的导线连接(图中的弧线),当人或动物碰断导线时便会发声报警,发光二极管发光。
10.雨水报警器
图5-52是它的电路图,它是在音响电路中从两个电阻之间引出一个探头改为雨水报警器的。用覆铜板照图5-53做一个探头,接到音响电路中,当雨水滴在探头上,使电路导通,便会发出音响。这个报警器还可以作为各种遇水报警装置。
11.高低水位报警器
水能导电,也就有电阻存在。图5-54就是利用电阻值的不同,发出不同音调制作成高低水位报警器,它与雨水报警器中的探头不同。用导线按照图5-55做成水位探头,接到电路中去。当水位低时,A与B导通,因有可调电阻,阻值较大发出低音;当水位升高A与C也导通,这时A与C电阻阻值因为没有可调电阻远远小于A与B的电阻值,因此电流通过A与C,报警器便发出高音。
按这个思路还可以做成高低音门铃、多路报警器等。
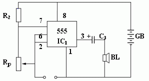
12.手控模仿鸟鸣实验
图5-56是它的电路图,它与音响器不同的是没有电容,并将电容处断开。先将音响器调响后,拆去电容,用两个手指捏住导线的两个端头,这时喇叭发出高的音调。随着手指捏住松紧程度不同,喇叭发出时高时低、时响时断、如同鸟叫一般的声音。调整可调电阻阻值,会发出不同音调,模仿鸟鸣和其他音响。
图5-56
13.节拍器
图5-57是它的电路图,它是将闪光电路中接上喇叭,做成既有灯光又有音响的节拍器,只是声音较低。调整电阻阻值和电解电容可以得到不同的节拍。


返回顶部
刷新页面
下到页底