EMI滤波器常见电路
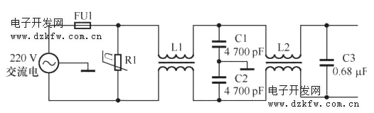
EMI滤波器有多种类型,常见的有RC,RL等等,本文我们介绍一种比较实用的滤波电路。该滤波电路原理图如下:
图中电容为安规电容,分为X电容和Y电容,它们用于EMI/RFI抑制中。EMI(ElectroMagneticInterference)意为电磁干扰,RFI(RadioFrequencyInterference)意为射频干扰。
图中所示是X电容和Y电容应用电路,这是开关电源的220V交流输入电路,也称为瞬变滤波电路或称为EMI滤波器。电路中的R1为压敏电阻器,L1和L2是铁氧体线圈,FU1为熔断器。
电路板上常见到的实物如下图:
EMI滤波器作用
EMI滤波器设置在220V交流电进线与整流电路之间,用来滤除市电网中的电压瞬变和高频干扰,同时也防止开关电源中的开关管产生的高频干扰传输到市电网中,形成对其他用电器的高频干扰。


返回顶部
刷新页面
下到页底