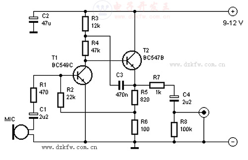
该前置放大器放大麦克风的输出信号,因此,它可以是进一步由功率放大器放大。该电路的输出端提供给信号线。
两个晶体管建立这样的电路并不是很难。该放大器产生的噪音小。在所示的实例中,该电路适合于500Ω和600Ω传声器。200Ω传声器R1应该降低至220Ω和C1应增加至4.7uF。三极管放大电路组成的麦克风前置放大器电路图:
增益是由R2设定。采用22K时最大增益约为200倍。
R1 = 470 Ω
R2 = 22 kΩ
R3 = 12 kΩ
R4 = 47 kΩ
R5 = 820 Ω
R6 = 100 Ω
R7 = 1 kΩ
R8 = 100 kΩ
C1,C4 = 2,2µF/16V
C2 = 47µF/16V
C3 = 470nF
T1 = BC549C
T2 = BC547B


返回顶部
刷新页面
下到页底