本系列文章包括一些变频器的基本知识,以及变频器调速中经常用到的面板调速、多段速、模拟量无极调速、通讯控制。每个部分分节说明,每节一个知识点方便阅读,在每节的难点重点部分有本人的注解说明。在阅读的过程中有不明白地方,欢迎留言。
这节先介绍一下变频器的工作原理,只做简单介绍不深入研究。经常用到PLC的朋友建议把变频原理搞清楚,明白原理有很多问题可以迎刃而解。
先介绍关于原理性的知识怎么学习,无论是变频器还是PLC都有很多理论知识,在学习过程中,这部分知识时是不可逾越的一步。理论知识也是比较难学难懂的,在学校一开始便是讲解这些,很多同学听了就头大,当然很难深入的学习。
原理性的知识我个人的建议是不可不学也不必深学。
不可不学:一个东西做出来就一定是在理论研究的基础上完成的,没有理论知识支撑,是不可能经得住考验的。使用时就没有必要,再把所有原理的知识都去研究一遍。举例来说,你用苹果手机难道还需要知道它是怎么发送电波信号,信号怎么传输给对方的吗?
但是一些基本的原理还是需要搞清楚的,高清原理最大的好处是,当出现问题时你的解决思路,会走在一个正确的方向上。不会出现头痛医脚……脚痛医头的情况。设计电路时也能合理的解决一些问题。
不必深学:原理知识的学习标准应该以够用为目标,任何设备都是一整个团队集体智慧的结晶,个人去全部学完其中理论有点天方夜谭,其实也没有必要。
开始接触一个陌生的东西先了解大概的原理,然后看说明书怎么使用,在使用的过程中遇到问题在返过头来学习。始终以问题为导向去学习,而不是一口气把所有知识全学懂。
先说这么多开始变频器原理知识的学习吧!!!
一、 初识变频器
1.1、交-直-交变频调速的原理
变频器先将工频交流电整流成直流电,逆变器在微控制器的控制下,将直流电逆变成不同频率的交流电。目前市场上的变频器都是这种工作原理工作。参见下图变频器原理图
这些就是整个变频器变频的原理,怎么样没那么复杂吧!!!
变频器原理图:
上图是变频器交-直-交变频调速的原理图,其中R0起限流作用,当R、S、T端子上的电源接通时,R0接入电路,以限制启动电流。延时一段时间后,晶闸管VT导通,将R0短路避免不必要的损耗。Rt为能耗制动电阻,当制动时电动机进入发电状态,逆变器向电容C反向充电,当直流回路的电压(电阻R1和R2上的电压)升高到一定值时,通过泵升电路使开关器件Vb导通,这样电容C上的电能就消耗在电阻Rt上了。
知道为什么有些惯性比较大的电机需要加制动电阻了吧!!!
通常为了散热,制动电阻Rt安装在变频器的外测,或者加装制动单元。
电容C除了参与制动外,在电动机运行时主要起到滤波的作用。起滤波作用是电容的变频器称为电压型变频器;起滤波作用是电感的变频器称为电流型变频器。市场上比较多的为电压型变频器。
微控制器经过运算输出控制用的正弦信号,经过SPWM(正弦脉宽调制)发生器调制,再由驱动电路放大信号,放大后的信号驱动6个功率晶体管,产生三相交流电压U、V、W驱动电机运转。
变频器的动力线的输入与输出不允许接反,否则可能会发生爆炸。小心……。电机端一般是U、V、W。
1.2、西门子M440变频器使用简介
变频器外形如下所示
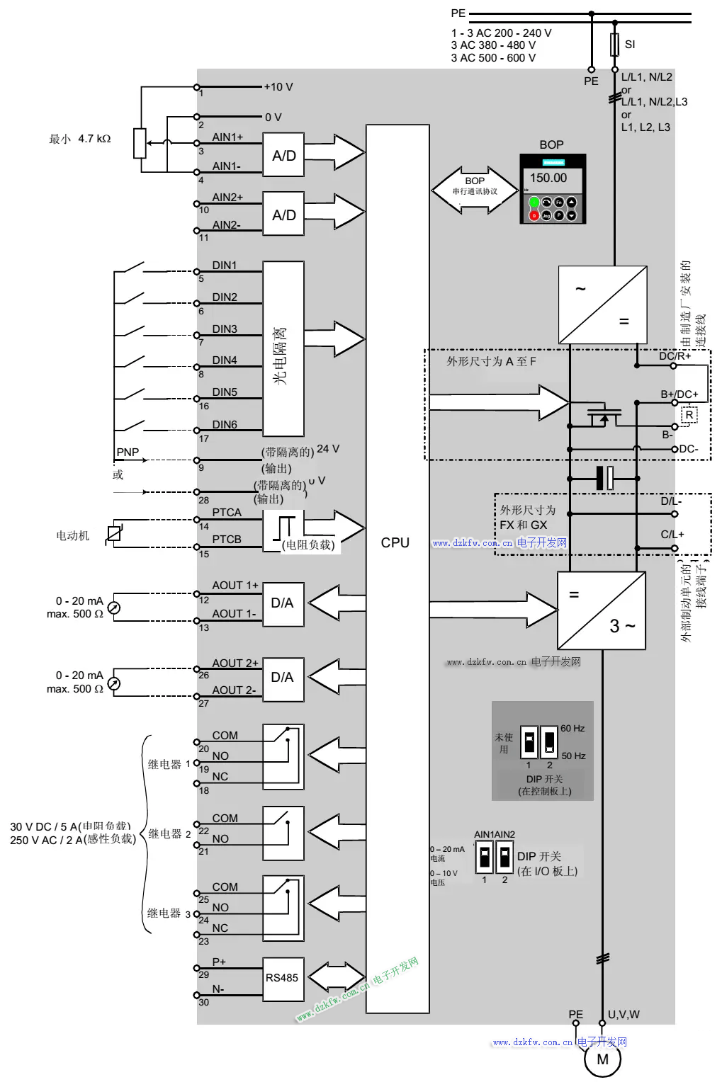
变频器接线图如下所示
||点击看大图||
西门子MM440变频器接线端子定义表如下所示
M440变频器是一个智能化的数字变频器,在基本操作面板上可进行参数设置,参数可分为四个级别:
①标准级,可以访问经常使用的参数。
②扩展级,运行扩展访问参数范围,例如变频器的I/O功能。
③专家级,只供专家使用,即高级用户。
④维修级,只供授权的维修人员使用,具有密码保护功能。
关于这个级别的问题不用那么纠结,反正我调试时总是设置成专家级,直接访问所有可以访问的参数,调试也比较方便。
操作面板
西门子变频器标配状态显示板(SDP),这个面板是只有指示灯显示一些基本状态,不能进行任何操作,如下图所示:
除此之外西门子还提供基本操作面板 (BOP)和高级操作面板(AOP),者两种面板是进行参数设置所必须的。
BOP和AOP是需要单独购买的,变频器标配是没有的。BOP不能保存参数信息,AOP可以保存参数并能进行上载下载操作。
西门子MM440变频器按钮说明:
用基本操作面板( BOP)更改参数的数值,下图介绍更改参数 P0004 数值的步骤
下图介绍更改参数P0719 数值的步骤,说明如何修改下标参数的数值。


返回顶部
刷新页面
下到页底