(1) 系统功能
可以根据需要,设定压力值,系统自动进行循环启动,实现恒压供水,系统的响应速度快,稳定性好;
系统设有手动、自动控制模式:在手动方式下,由工人根据压力表显示的情况,进行手动启动,并且可以设定由工频启动还是变频启动;在自动方式下,完全根据压力设定值进行循环启停泵操作;
可以在线切换手动、自动控制模式:当系统在自动方式下完全启动以后,可以不停机直接切换到手动状态下运行;
每台泵都设有变频/工频两种状态,在自动运行模式下,任一台泵只有处于变频状态,才能由PLC控制进入循环软启序列;
具有显示报警功能,系统设置有各种显示功能,可以显示电压、电流、压力、变频器输出频率、电机转速等参数,同时设置各种保护功能,如过流保护、过压保护、过载保护、欠压保护等。
(2) 工作原理
在自动运行模式下,通过人为设定所需的压力,启动系统后,控制系统通过变频器启动一台处于变频状态的水泵电机。当电机达到满速以后,如果检测压力仍达不到设定要求,控制系统会自动地将该泵由变频切换到工频,然后由变频器自动启动另外一台处于变频状态的水泵电机。当检测到的压力值偏高且变频器运转在下限频率时,则第一台工频运行的水泵电机将自动停机;若再需加泵时,控制系统会自动将变频运行的水泵切换至工频运行,然后再变频启动另外一台处于变频状态的备用泵;以此顺序运行,直到出口压力达到设定的要求值。
在手动运行模式下,由人工根据压力表显示的压力情况进行现场手动启动单台泵,并且可以设定是由工频启动还是由变频启动。对于变频运行泵,可以通过手调信号给定电位器来调节水泵电机转速的快慢。
此系统优点是自动调节供水动力范围大,不用经常人工起停水泵,因而自动化程度高,减小了电机长期满负荷运转所造成的磨损www.dzkfw.com.cn,延长了设备的使用寿命。
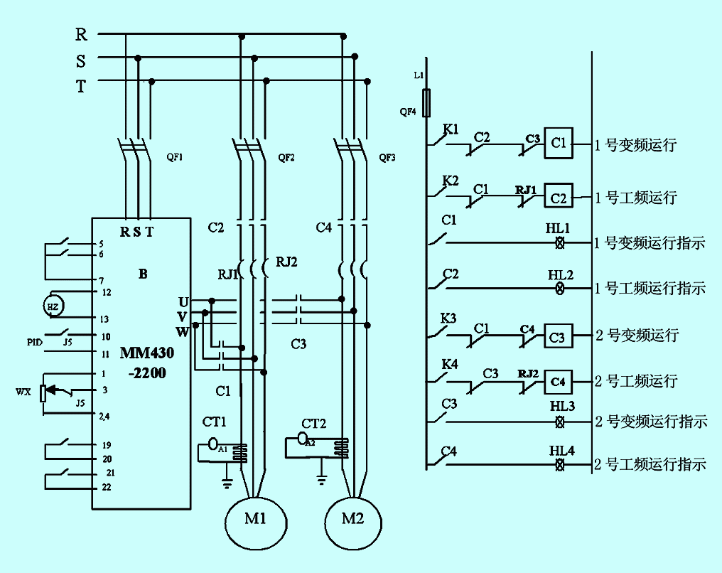
(3) 控制系统原理图
此系统中,PLC作为系统的控制核心,起着至关重要的作用。尤其变频自动加减泵的过程,关系到系统的安全和调节的平滑性,在编程的过程中应该注意。其原理图如图1所示。

图1 PLC控制系统原理图
变频器及控制系统的其它电子电气元件作为本系统的执行机构,作为变频调速控制主体,可控制水泵的起停、加减速运转以及泵间的相互切换等。其原理图如图2所示。

图2 变频器切换控制原理图
3 节能原理
水泵为平方转矩负载,即水泵的负载转矩与转速的平方成正比,而轴功率和负载转矩与转速的乘积成正比,因此,水泵的轴功率与电机转速的立方成正比。
由此可知,当要求出水量减少时,可使电机转速降低,而电机转速微量减少,将使功率大幅下降,节能效果十分明显。本变频调速系统经过优化设计,精心的设备选型,合理的编程,配合正确的信号给定,使得电机始终处于最佳运行状态,节能挖潜得到了最大的发挥。
4 投资回报及效益分析
4.1 直接效益
水泵恒压供水避免了开关阀门造成的节流损失和关闭阀门运行时电机所做的无用功,按每年运行300天阀门平均开度80%计算,22kW电机年节电量可做如下计算:
W=22×[1-(0.8)3]×24×300=7.79万kWh
电费单价按0.40元/kWh计算,全年可节约电费
M=7.79×0.40=3.116万元
4.2 间接效益
(1) 水泵进行变频调速改造以后,由于系统采用软启动连续变速运行,减少了对水泵的磨损,大大延长了设备使用寿命和维修周期,减少了维修费用和由此带来的直接经济损失;
(2) 系统采取过流、过压、瞬时断电、短路、欠压、缺相等多种保护,避免了因电机烧损而影响生产所带来的直接和间接经济损失。


返回顶部
刷新页面
下到页底