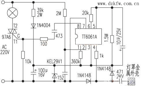
市售触摸式台灯电路图
最近,笔者对一种新的触摸式台灯按其实物画下了电路,现提供大家参考。电路见图,它分四挡控制灯泡的亮度。通电后灯泡不亮,第一次轻轻触摸一下灯罩金属外壳。灯泡便发出低亮度的光,第二次触摸灯泡发出中等亮度的光,第三次触摸灯泡变为全亮,第四次触摸灯泡熄灭,依次循环。此电路易出现的故障是双向可控硅97A6坏及灯罩金属外壳与电路触摸输入端子之间接触不良。笔者调试该电路时,TT6061用GS6061代,1N4004用1N4007代,其余元件与图中同。经验证,电路工作可靠,能实现文中所述功能。但双向可控硅易损坏,建议读者制作时在可控硅两端并联一电阻电容串联所组成的保护电路。


返回顶部
刷新页面
下到页底