1 LED 简介
发光二极管( LED) 是一种固态光源,利用半导体中的电子和空穴相结合而发出光子,每种LED 所发出的颜色取决于光子的能量,而光子的能量又因其制造材料而异。同一种材料的发光波长很接近,因此每颗LED 的颜色都很纯正,最常见的一般亮度的LED多是红色和草绿色。LED 晶粒尺寸小,颜色种类多,使用时排列方式又有很大的灵活性,这是它比一般光源优越的地方;另外,LED 与其他光源相比还具有较高的光效和更高的可靠性,供电的方法也比较简单。
因而LED 特别适合用作显示光源。例如,早期LED主要应用于各种仪表、室内音响、电器面板,或用于资讯和状态显示,如股票看板、活动字幕等。
随着LED 亮度的逐渐增强,LED 也逐渐由室内扩展到户外应用,例如户外广告、交通信号、夜景装饰照明、道路照明等。目前,LED 大多仍限于上述的特殊照明,其缺点是光束较集中,每流明的成本较高,与一般的照明要求尚有一段距离。但世界各国特别是美国和日本都把这种固态光源看作最具有发展前景的照明光源,并为研发应用于一般照明的白光LED而投入大量的人力和物力,努力早日使LED 应用于普通照明,我国也为此制定了中长期的研发规划。
与一般的半导体PN 结一样,LED 的正向导通压降随导通电流的变化并不大,一般为3. 5V 左右,正向压降约有± 16. 6% 的离散,如表1 所示( 资料来源为Luxeon Star 的技术数据,表2 和图1 也来自该公司的数据) ,不同颜色的LED 的导通压降也不尽相同。
表1 LED 的电特性( 电流为350mA、结温Tj = 25℃ 时)

表2 LED 的光特性( 电流为350mA、结温Tj = 25℃ 时)

各种LED 的发光强度随其发光颜色不同而有所差异,如表2 所列。其正向压降VF和光强则随其电流变化而变化,如图1 所示。从图1 不难看出,LED的照度随其通过的电流增加而增加,电流大,光输出及照度也大;但其压降变化并不大。所以,LED 要求采用串联供电,而且是恒流的,流经管子的电流为定值,以保持稳定的光输出。作为LED 的驱动芯片,要求其输出具有恒流特性,对串联的LED 供电。

图1 LED 的正向压降和照度随电流的变化曲线
在了解了LED 的特点和光电参数之后,我们有选择地介绍一些恒流驱动LED 芯片,本文拟介绍ST公司的芯片Viper12 /22A 和我国昂宝公司的3 种芯片。这类驱动芯片就其工作原理来说,大同小异,只要弄清楚一种,其他的也不难理解。下面着重介绍一下ST 公司的Viper12 /22A 芯片。
2 LED 恒流驱动芯片之一:Viper12 /22A 芯片
Viper12 /22A 芯片是一种开关电源芯片,具有恒流输出特性,主要用来驱动发光二极管( LED) ,或做电池充电适配器、电视机和监视器的备用电源、马达控制器的辅助电源等等。
2. 1 Viper12 /22A 的特点
Viper12 /22A 是一种专用的电流模式PWM 控制器,其中含有一个高压功率MOS 管,同控制器集成在同一块硅片上,可以不用外接MOS 管,共有8 条引脚( 功能引脚仅为4 条)。内部的控制线路使芯片具有以下特点:
(1) 采用脉宽调制,脉宽调制的开关频率是固定的,为60kHz;
(2)VDD 脚电压范围很宽,为9 ~ 38V,能够适应辅助电源的变化,这一点特别适合于充电器的应用( 在充电时,电池电压逐渐上升,辅助电源电压也随之变化) ;
(3) 在轻负载下(MOS 管漏极电流只有最大极限值IDlim的12% 时,例如几十毫安) 电路进入自动突发模式(Automatic burst mode,此时,为适应电路调整的要求,MOS 管开通时间会变得很短,以致要丢失几个开关周期才出现脉冲,故称为突发模式) ;而在过压时,则工作在打嗝模式(Hiccup mode) ;
(4) 采用电流模式控制的脉宽调制;
(5)VDD 有欠电压封锁功能、且有回差;
(6) 有过温、过流、过压保护功能,并能自动再启动;
(7) 驱动能力:在输入为195 ~ 265VAC 下,SO -8 封装的IC 为8W,DIP - 8 封装的为13W;在输入为85 ~ 265VAC 下,SO - 8 封装的IC 为5W,DIP - 8 封装的为8W。
用Viper12A 或Viper22A 驱动LED 时,根据LED的功率大小,所能驱动的LED 数量如表3 所列。
表3 Viper12A 和Viper22A 所能驱动的LED 数量

由于每个管子的导通压降3. 5V,Viper12A 和Viper22A 的输出电压根据所驱动的LED 数量,可能从最低的3. 5V 到14V。
2. 2 Viper12 /22A 的方框图
Viper12 /22A 的方框图如图2 所示。Viper12 /22A 对外部的功能引脚为4 条:即VDD、SOURCE( 源极)、DRAIN( 漏极)、FB。

图2 Viper12 /22A 的方框图
(1)VDD( 4 脚) : IC 控制线路的电源,在IC 内部,由一个有回差的比较器来监控VDD 电压。比较器有2 个阈值:
VDDon( 典型值为14. 5V) ,在此电压下器件开始开关振荡,并关断启动电流源;VDDoff( 典型值为8V) ,在此电压下器件中断开关振荡,并接通启动电流源。
(2) SOURCE ( 源极1、2 脚) : 功率MOS 管的源极,电路的接地点。
(3)DRAIN( 漏极5、6、7、8 脚) :功率MOS 管的漏极,内部的高压电流源也连到此脚,在启动时,该电流源对VDD 脚的外接电容充电。
(4) FB(3 脚) :反馈输入,其电压范围为0 ~ 1V。
通过反馈改变流入FB 脚的电流及电压,来调整MOS管的漏极电流及输出电流。当FB 脚电压为0 时,漏极电流最大,并被限定为最大值IDlim。
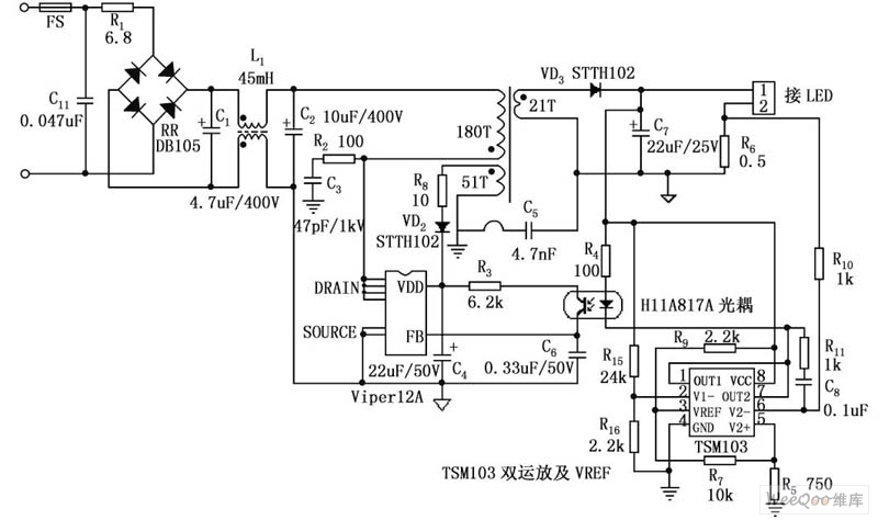
2. 3 用Viper12A 组成的LED 恒流驱动器电路
用Viper12A 组成的LED 恒流驱动器电路如图3 所示。电路的输出电流为0. 35A,输出电压为13. 5 ~ 14V。

图3 Viper12A 恒流驱动LED 的电路
2. 3. 1 电路的工作分析
电路各部分的功能如下:
交流电压经过防浪涌电流的电阻R1后,由整流桥整流,电容C1滤波,作为Viper12A 的MOS 管的漏极直流电源,降压变压器原边绕组是MOS 管的交流负载,变压器降压副边绕组的电压,通过二极管VD3整流,C7滤波,输出直流电压,加到端子1、2,用来驱动LED 发光。LED 的电流由IC Viper12A 控制器控制,保持为恒定值。
变压器的辅助绕组经VD2整流、C4滤波为IC 提供电源VDD。
为满足电磁兼容( EMC) 要求,采用的滤波电路由共模电感L1及电容C1、C2构成;电阻R2及电容C3是变压器原边的缓冲网络( 也称阻尼网络) ,用以消除变压器原边绕组在开关过程中出现的过电压,以保护MOS 管。电容C5也是EMC 滤波电容,接在输入地及输出地之间,以减少对外电路的电磁干扰。
控制电流的恒流过程如下:
LED 的电流由电阻R6检测,经R10加到双运放TMS103 中一个运放的反相端V2 -,其同相端V2 +则由基准电压VREF分压后提供。加到LED 的输出电压则由电阻R15、R16分压加到TMS103 的另一个运放的反相端V1 -,其同相端V1 +则直接由基准电压VREF提供。2 个运放的输出相“或”后,加到光耦器件H11A817A 的发光二极管的下端,作为反馈输入,由它控制光耦器件的电流,进而控制流入Viper12 /22A的FB 端的电流,借以调整IC 的输出脉冲宽度,改变MOS 管的漏极电流,从而使Viper12A 的驱动具有恒流输出的特性。有关反馈脚FB 如何控制器件的工作,我们下面将专门加以介绍。
2. 3. 2 FB 脚对功率MOS 管漏极电流的恒流控制作用
与普通受输入电压控制的PWM 不同,FB 是受输入电流控制的,如图4 所示的那样。图4 是图3 的一部分,图中还画出了Viper12A 内部的有关部分,以便于说明FB 脚的控制作用。
由MOS 管流出的监测电流IS,其大小与MOS 管的主电流ID成正比。电流IS与由FB 脚送来的反馈电流IFB相叠加,由于MOS 管在脉冲控制下流过变压器原边的电流是一个线性上升的电流,所以IS也是一个线性上升的电流,当上升到其峰值,且在IC 内部电阻R2上产生的电压和比较器的基准电压0. 23V相等时,MOS 管关断,电流不再增加。此时有:

由此得:

由于MOS 管的漏极电流峰值IDP与IS成正比,而IS又受IFB控制,所以漏极电流峰值:

式(2) 表明:IS受IFB控制,IFB越大,则IS越小,MOS 管的漏极电流峰值IDP亦越小;反之亦然。
当VFB = 0 时,电流自FB 脚流出,IFB = - 0. 23V /R1,MOS 管的漏极电流峰值IDP最大,其最大极限值:


图4 FB 脚的电流控制示意图
在实际应用中,FB 脚是连到光耦器件的,如图4所示,不可能短路到地,漏极电流达不到式(3 ) 所表示的最大值。但是,当光耦关断时( 启动或短路) ,电容C6上的电压将非常接近于0V。此时,漏极电流峰值IDP接近其最大极限值IDlim。上述FB 脚的电流IFB控制VFB、进而控制MOS 管的最大漏极电流峰值的图解示于图5 中。由图5 可知,IFB愈大,则IDP愈小;反之,IFB愈小,则IDP愈大。当IFB为负值且VFB为0 时,漏极电流峰值IDP为最大,并以IDlim表示之。
如果输出端由于某种原因使LED 的电流减少,则送到双运放TSM103 的一个运放的反相端V2 -的输入电压降低,运放的输出将变高,光耦器件的发光二极管下端电位提高,使流过光耦器件的电流减少,进而使IFB电流减小,通过FB 脚的控制作用,外接MOS 管的漏极电流峰值IDP增加,结果流过LED 的电流上升,进而保持其电流为恒定的。反之,如LED 的电流由于某种原因有所增加,则由于FB 脚的控制作用,外接MOS 管的漏极电流峰值IDP减少,也能使流过LED 的电流保持恒定。


图5 FB 脚电流IFB对MOS 管漏极电流峰值IDP的控制
通过改变图3 中LED 的检测电阻R6的阻值,例如减少为其原来的一半,即R6 = 0. 25Ω,则Viper12A恒流值可以提高为700mA;如R6的阻值减少为原来的1 /3,即R6 = 0. 167Ω,则Viper12A 恒流值可以提高为1. 05A。以上2 种情况分别可以用来驱动3W( Io= 700mA) 和5W( Io = 1. 05A) 的LED。
2. 3. 3 电路中变压器的设计
在恒流输出的电源中,变压器的设计是很关键的。因为IC 器件可能驱动1 ~ 4 个LED,输出电压可能在3. 5 ~ 14V 之间变化,输出电压反射到原边,从而改变控制电路IC 的电源电压VDD以及MOS 管的漏源电压Vds。在设计变压器时必须考虑到以下3 点:
(1) VDD在低电压时为9V,在过电压时,最多为38V;(2) Viper12A 的功率为8W;Viper22A 的功率为12W;(3) 反射到MOS 管的漏源电压等于(NP /NS) Vo,加上输入直流电压后,必须低于730V。
变压器的原边与副边的匝比应根据外接LED 数目为最大时设计,当外接LED 减少时,变压器的反射电压亦随之减少。如按1 个LED 进行设计,则当LED 增加为4 个时,变压器的反射电压将增加4 倍,就有可能超过Viper 耐压的额定值。副边绕组与VDD辅助绕组的匝比则应根据1 个LED 时、VDD的最低电压为9V 来设计。当LED 增加为4 个时,VDD亦将按比例增加。根据以上原则设计的变压器参数如下:
原边电感为3. 25mH,± 10% ;原边漏电感的典型值为39. 9μH;原边绕组与副边绕组之比为1∶ 0. 117(180 圈∶ 21圈) ;原边绕组与VDD绕组之比为1∶ 0. 283(180 圈∶ 51圈)。
当Viper12A /22A 导通时,变压器的原边绕组储存磁能;而当Viper12A /22A 截止时,能量将转移到副边绕组和VDD绕组中,为Viper12A /22A 提供偏压,并为驱动LED 灯提供能量。
图3 电路的缺点是:电路比较复杂,需要另加光耦和运放,成本也较高。优点是不用外接MOS 管,占面积小。
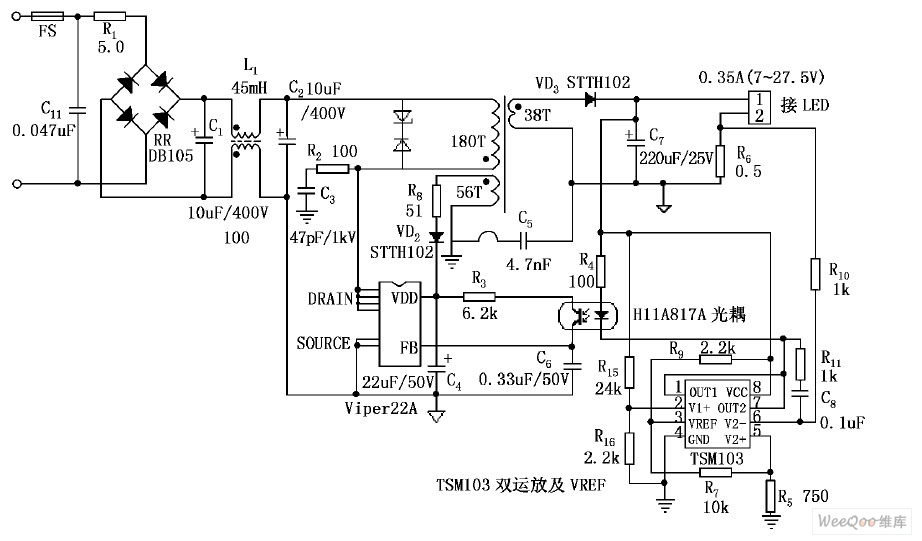
2. 4 用Viper22A 组成的LED 恒流驱动器电路
Viper22A 的功率稍大,其驱动LED 的电路与图3 相似,如图6 所示。这里对电路的工作亦不再过多说明(在变压器原边绕组加二极管及稳压二极管是为了限制在开关过程中出现的反峰电压) ,读者参照图3,不难了解每个元件的作用。
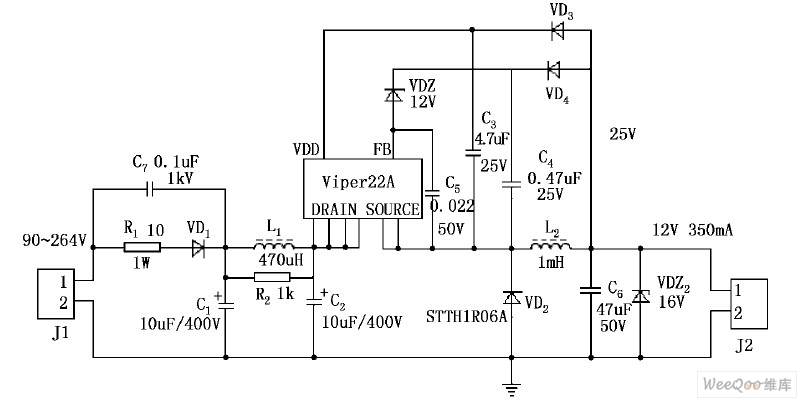
2. 5 用Viper22A 组成的非隔离型LED 驱动电路
上述LED 供电电路,其输入的中线和输出的地线并没有接在一起,它们是不共地的,通常叫作隔离型电源( Isolated power supply)。LED 也可以采用输入、输出共地的非隔离电源( Nonisolated powersupply) 供电。其形式如图7 所示。在这个电路中,输入电压经半波整流、EMI 滤波电路将直流电压加到Viper22A 的DRAIN 脚,而由其源极输出经L2、C6滤波后的直流电压为LED 供电。同时,输出电压还经二极管VD3加到VDD 端为IC 供电。电路中输入电压的中线和输出地接在一起,所以它是一种非隔离电源。由于输入电压降压后直接输出去驱动LED 管,故又称为降压型电路。此电路比较简单,成本较低。
稍微改变一下元件参数,可以得到不同的输出电压和电流。它适用于驱动小型的LED 显示器、继电器、AC 开关等。

图6 用Viper22A 组成的恒流LED 驱动器电路

图7 输出为12V、350mA 的非隔离型电路
Viper22A 的输出为12V、350mA 或16V、350mA,Viper12A 的输出为12V、200mA 或16V、200mA。同样的电路还可以输出10 ~ 35V 的电压。
在了解了LED 的驱动芯片工作原理之后,下面再介绍我国上海昂宝公司生产的LED 驱动芯片,它适用于90 ~ 264V 的全电压范围,按功率范围分成3个系列,即功率< 15W、10 ~ 40W 和> 40W 3 档。其中< 15W 的采用OB253X 芯片;10 ~ 40W 采用SN03芯片; > 40W 的有2 种方案,可以采用OB2203 +OB6563( 相当于ST 公司的L6563 ) ,也可以只采用OB6663 1 块芯片。下面对3 种芯片分别进行介绍。


返回顶部
刷新页面
下到页底