说明:
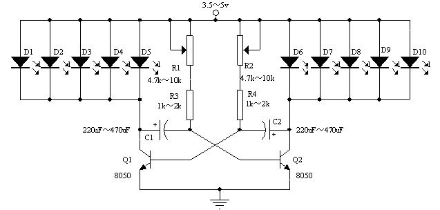
1、每个8050三极管可以驱动八到十六个发光二极管。只有相同发光电压(不同颜色的发光电压一般不同)的发光二极管才可以并联使用。可以将发光二极管接成需要的图案,表达设计者的意图。
2、彩灯闪烁的周期是:T=0.7×(R1+R3)×C2+0.7×(R2+R4)×C1 根据闪烁快慢要求选择R1,R2,R3,R4,C1,C2的参数。调节电位器R1、R2的大小,可以改变闪烁速度。
3、电压过高会烧坏发光二极管。工作电压从3v开始调大,当提供的电源电压高于5v后应当串入一个2.2~27欧姆的电阻作为限流电阻,以免烧坏发光二极管。


返回顶部
刷新页面
下到页底