该稳压电源可调范围在3.5V-25V之间任意调节,输出电流比较大,采用可调稳压管式电路,可以得到满意平稳的输出电压。
3~25V电压可调稳压电路
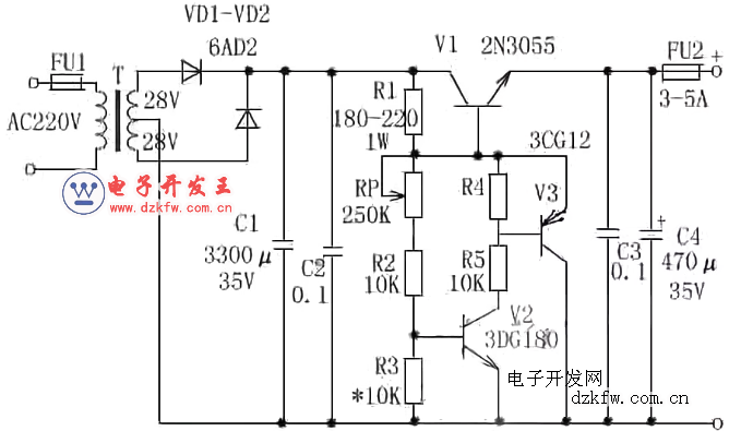
1、工作原理
经整流滤波后直流电压由R1提供给调整管的基极,使调整管导通,在V1导通时电压经过RP、R2使V2导通,接着V3也导通,这时V1、V2、V3的发射极和集电极电压不再变化(其作用与稳压管相同)。调节RP,可以得到平稳的输出电压,R1、RP、R2与R3比值决定本电路输出的电压值。
2、元器件选择
变压器T选用80W~100W,输入AC220V,输出双绕组AC28V。FU1选用1A,FU2选用3A~5A。VD1、VD2选用 6A02。
RP选用1W左右普通电位器,阻值为250K~330K,C1选用3300µF/35V电解电容,C2、C3选用0.1µF独石电容,C4选用 470µF/35V电解电容。
R1选用180~220Ω/0.1W~1W,R2、R4、R5选用10KΩ、1/8W。V1选用2N3055,V2选用 3DG180或2SC3953,V3选用3CG12或3CG80。
一例用3DD15D制作的可调稳压电源电路图
一例用3DD15D制作的可调稳压电源电路图,TL431是一款输出电压可调的精密基准电压源集成电路,输出电压可在2.5~36V范围内调整。
一例可调电阻改变输出电压的电路图
一例可调电阻改变输出电压的电路图,在电源输出端通过串联一个电阻来调节输出电压,仅适用于LED小灯这类小电流负载,大电流负载一般通过调节稳压电源Adj端电压来改变输出电压。


返回顶部
刷新页面
下到页底