高灵敏度声音探听器,电路制作
LM324是四运放集成电路,它采用14脚双列直插塑料封装,外形如图所示。它的内部包含四组形式完全相同的运算放大器,除电源共用外,四组运放相互独立。
每一组运算放大器可用图1所示的符号来表示,它有5个引出脚,其中“+”、“-”为两个信号输入端,“V+”、“V-”为正、负电源端,“Vo”为输出端。两个信号输入端中,Vi-(-)为反相输入端,表示运放输出端Vo的信号与该输入端的相位相反;Vi+(+)为同相输入端,表示运放输出端Vo的信号与该输入端的相位相同。LM324的引脚排列见下图。
下面介绍一例LM324应用电路:高灵敏度探听器(其实和助听器一个道理)
利用本装置,可以听到远处极微弱的声音,它的极强的指向性和极高的灵敏度,能将运动场上运动员和教练员的低声细语尽收耳底,使用起来十分有趣。
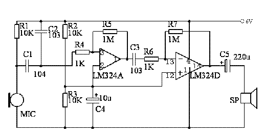
工作原理
电路见上图,装在特制筒子里的话筒,将一定方向上的声音接收下来(其他方向的声音被抑制),送入放大器放大。放大器由两级组成,第一级由LM324四运放中的一运放构成,有110倍增益的放大量,第二级由另一运放构成,有500倍增益的放大量。这样高的放大能力,足以将极微弱的声音信号放大,由耳机输出。利用它就能听到很远处人耳无法直接听到的微弱声音。
注意事项
1、LM324内集成了四个运放,这里只用了A和D,接线方法可参照上图
2、R1=R2,取值范围在10K---100K间
3、供电+6V---9V,可将两个(或三个)电池夹串联起来使用,
4、本机灵敏度极高,试机时不要靠近MIC讲话!


返回顶部
刷新页面
下到页底