电路的功能
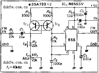
改变555的自激多谐振荡器的充电电流即可进行频率调制。值得注意的是如大幅度地改变充电电流,还可作为VCO使用。这种振荡器的振荡频率在100KHZ以下,本电路的频率为40KHZ,这一频率接近红外线遥控频率。本电路还可用作低频载波的频率声音或数据信号进行调制。555电路图,NE555制作的FM调制电路图:

电路工作原理
如果调制频率范围较小,在555振荡电路的引线7上接上电阻并和隔直流电容器相串联,就可构成FM调制。本电路是用TT1和TT2组成的电流密勒电路在充电回路中产生充电电流,电流大小由R2和VR1确定。低频调制信号与偏流IB叠加后使振荡频率改变。


返回顶部
刷新页面
下到页底