电子开发网

电子开发网电子设计 | 电子开发网Rss 2.0 会员中心 会员注册
搜索: 您现在的位置: 电子开发网 >> 电子开发 >> 555电子电路 >> 正文

555电路10KHz方波感应式充电器,NE555充电器

作者:佚名    文章来源:本站原创    点击数:    更新时间:2017-6-15

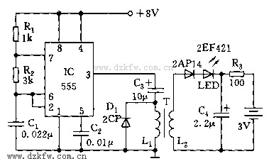
如图所示,555时基芯片和R1、R2、C1组成无稳态多谐振荡器,f=1.44/(R1+2R2)C1,力求参数给出的振荡频率约10KHz。输出的振荡方波加至高频变压器初级线圈L1上,次级L2感应出电压给电池充电。

高频变压器初次级用合适的漆包线各绕200圈,变比1:1,也可根据实际需要改变变比。

555电路10KHz方波感应式充电器,NE555充电器 

这个电路样式主要是实现了前后级电路的隔离,在一些电路应用中是需要的,实践中可灵活运用。

Tags:555电路,10KHz方波,感应式充电器,NE555  
责任编辑:admin
请文明参与讨论,禁止漫骂攻击,不要恶意评论、违禁词语。 昵称:
1分 2分 3分 4分 5分

还可以输入 200 个字
[ 查看全部 ] 网友评论
推荐文章
  • 此栏目下没有推荐文章
最新推荐
热门文章
  • 此栏目下没有热点文章
关于我们 - 联系我们 - 广告服务 - 友情链接 - 网站地图 - 版权声明 - 在线帮助 - 文章列表
返回顶部
刷新页面
下到页底
晶体管查询