一、指针式万用表的工作原理,mf47万用表电路图
二、表头电路
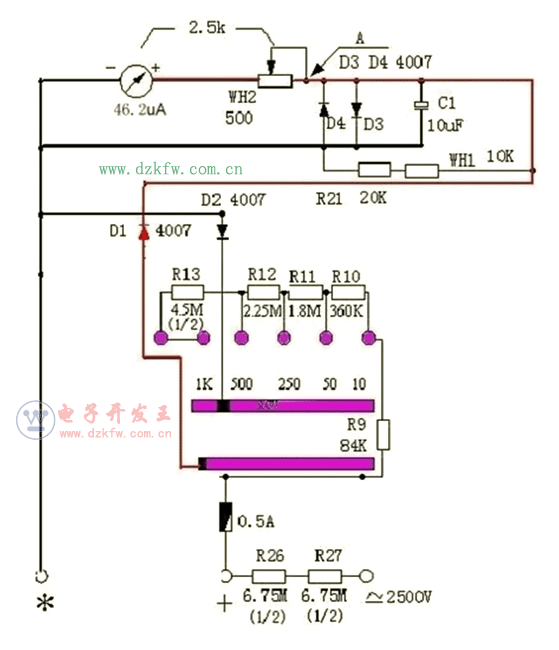
MF47万用表表头电路由磁电式 46.2μA 电流表头与 WH2 串联,R21与WH1串联后再并入,再与 R22 串联。组成量限为50μA、阻抗为5kΩ的微安表,也可以作为量限为 250mV 的毫伏表。
二极管D3、D4保护表头。电容器C1可以防止表头两端电压急剧变化而损伤表头,还能防止万用表移动时表针振动。
三、直流电流测量电路
在表头两端并入不同的分流电阻,可以构成不同量限的电流表。MF47 万用表可以测量 0-5A 的直流电流,按量限分0.05mA,0.5mA,5mA,50mA,500mA,5A 等挡位。
四、直流电压测量电路
直流电压表由表头串联电阻构成。表头串入不同的分压电阻,可以构成不同量限的电压表。
MF47 万用表可以测量 0-2500V 的直流电压,按量限分为 0.25V、1V、2.5V、10V、50V、250V、500V、1000V、2500V等挡位。
五、交流电压测量电路
交流电压经过刀开关按不同量限加入到 R9、R10 等不同的分压电阻,经二极管 D1、D2 整流为直流,由表头显示电压值。
六、mf47万用表电路图 电阻测量电路
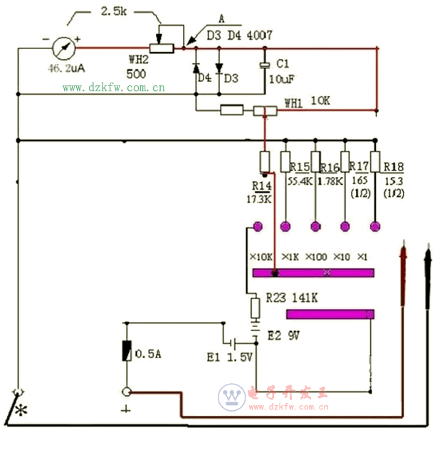
测量电阻时,要使用内部电池。红表笔接面板“+”插孔,与内部电池负极相连,黑表笔接面板“*”插孔,与内部电池正极相连。通过刀开关 S 选择不同挡位,不同的电阻 R18、R17 等接入电路构成 R 内。R*10 挡为例,测量时,R17、E1、RX 组成回路。
七、hfe 测量电路
MF47 万用电表可以测量小型三极管的 hfe 值。



返回顶部
刷新页面
下到页底