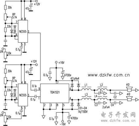
笔者设计的这款开关型(D类)音频功率放大器采用时基电路NE555推动双声道功放TDA1521,在±16V供电时可以以高于85%的效率输出30W×2的功率。
电原理见图。NE555时基IC被接成振荡频率120kHz、占空比50%的方波振荡器。音频信号由⑤脚输入时,③脚的输出信号占空比就会随着输入音频信号的幅值高低而作线性变化。该信号经TDA1521功率放大后再经L1~L4、C1~C4构成的滤波电路还原音频信号。快恢复二极管D1~D4用以保护TDA1521免受L1~L4自感电势的损坏。由于IC都是工作于开关状态,因而可以高效率地输出大功率。
调试时先不输入音频信号,此时TDA1521的输出端对地电压应为0V,否则是时基电路静态输出非对称的方波,应调节RP预以校正。然后输入信号扬声器应发声。本装置在输入1kHz的音频信号而输出功率为30W×2时,实测效率达85%以上,谐波失真小于0.8%,效果是出入意料地理想。
>


返回顶部
刷新页面
下到页底