TDA2005双声道音频功率放大集成电路,TDA2005 POWER AMPLIFIER
关键字:TDA2005,功放电路图
TDA2005是单电源工作的双声道音频功率放大集成电路,可应用于OTL双声道功放,也可接成BTL桥式功放电路使用。TDA2005内含过热、过载、输出短路等多种保护电路环节,性能稳定。
TDA2005外形为11脚单向排列,外形图如下
TDA2005双声道音频功率放大集成电路TDA2005 POWER AMPLIFIER
TDA2005主要参数
工作电压:8-18V
静态电流:60mA
可承受电源电压峰值:40V(50毫秒)
输出峰值电流:3.5A
芯片可承受结温:-40~150℃
可驱动扬声器最低阻抗:1.6欧姆
双声道输出功率:10W×2(扬声器阻抗=2Ω;总谐波失真=10%)
BTL桥式输出功率:20W(扬声器阻抗=4Ω;总谐波失真=1%)
TDA2005引脚功能
(注意其散热片与引脚6相通)
当电源=12V时,各管脚的电压值:(从1脚到11脚依次排列)
1.3、0.74、7.13、0.71、1.27、0、11.4、5.77、12、5.7、11.3
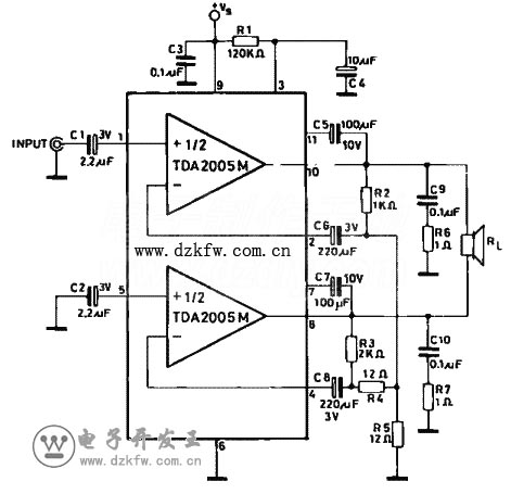
TDA2005桥式放大接法(BTL)
TDA2005双声道音频功率放大集成电路TDA2005 POWER AMPLIFIER
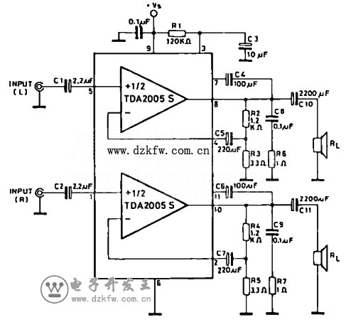
TDA2005双声道输出接法(OTL)


返回顶部
刷新页面
下到页底