无线电波的发射
1.无线电波是由开放电路发射出去的
在实际应用中常把开放电路的下端跟地连接。跟地连接的导线叫做地线。线圈上部接到比较高的导线上,这条导线叫做天线。天线和地线形成了一个敞开的电容器,电磁波就是由这样的开放电路发射出去的。电视发射塔要建得很高,是为了使电磁波发射得较远。实际发射无线电波的装置中还需在开放电路旁加一个振荡器电路与之耦合,如图所示。
振荡器电路产生的高频率振荡电流通过L2与L1的互感作用,使L1也产生同频率的振荡电流,振荡电流在开放电路中激发出无线电波,向四周发射.
2、调制:调幅与调频
发射电磁波是为了利用它传递某种信号。例如无线电报传递的是电码符号,无线电广播传递的是声音,电视广播传递的不仅有声音,还有图像。这就要求发射的电磁波随信号而改变。
在电磁波发射技术中,如果把这种电信号"加"到高频等幅振荡电流上,那么,载有信号的高频振荡电流产生的电磁波就载着要传送的信号一起发射出去.把要传递的信号"加"到高频等幅振荡电流上,使电磁波随各种信号而改变叫做调制。
进行调制的装置叫做调制器.耍传递的电信号叫做调制信号。
使高频振荡电流的振幅随调制信号而改变叫做调幅,调幅广播(AM)一般使用中波和短波波段。
使高频振荡电流的频率随调制信号而改变叫做调频,调频广播(FM)和电视广播都采用调频的方法来调制,通常使用微波中的甚高频(VHF)和超高频(UHF)波段。
右图是调幅装置的示意图.接在振荡器和线圈之间的话筒就是一个最简单的调制器,由声源发出的声音振动使话筒里的碳粒发生时松时紧的变化,它的电阻也发生时大时小的变化。所以,虽然振荡器产生的是高频等幅振荡电流,但是线圈通过的却是随声音而改变的高频调幅电流.由于线圈的互感作用,从开放电路中发射的也是这种高频调幅电流。这种电磁波叫调幅波。


无线电波的接收
处在电磁波传播空间中的导体,会产生感应电流,导体中感应电流的频率与激起它的电磁波频率相同,因此,利用放在电磁波传播空间中的导体,就可以接收到电磁波。
1、在无线电技术中,用天线和地线组成的接收电路来接收电磁波。
2、电谐振
世界上有许许多多的无线电台、电视台以及各种无线电通讯设备,它们不断地向空中发射不同频率的电磁波,这些电磁波强弱不等地弥漫在我们周围。如果不加选择地把它们都接收下来,那必然是信号一片混乱,分辨不清,达不到我们传递信息的目的。所以,接收电磁波时,首先要从诸多的电磁波中把我们需要的选出来,通常叫做选台。这就要设法使我们需要的电磁波在接收天线中激起的感应电流最强。在无线电技术里,是利用电谐振来达到这个目的的。当接收电路的固有频率跟接收到的电磁波的频率相同时,接收电路中产生的振荡电流最强。这种现象叫做电谐振,相当于机械振动中的共振。
3、调谐
接收电路产生电谐振的过程叫做调谐,能够调谐的接收电路叫做调谐电路。
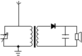
图是收音机的调谐电路。调节可变电容器的电容来改变调谐电路的频率,使它跟要接收的电台发出的电磁波的频率相同,这个频率的电磁波在调谐电路里激起较强的感应电流,这样就选出了这个电台。
4、检波
收音机接收的经过调制的高额振荡电流(对应图讲解),这种电流通过收音机的耳机或扬声器,并不能使它们振动而发声,为什么呢,假定某一个半周期电流的作用是使振动片向某个方向运动,下一个半周期电流就以几乎同样大的作用使振动片向反方向运动.高频电流的周期非常短,半周期更短,而振动片的惯性相当大,所以在振动片还没有来得及在电流的作用下向某个方向运动的时候,就立刻有一个几乎同样大的作用要使它向反方向运动,结果振动片实际上不发生振动.要听到声音,必须从高频振荡电流中"检"出声音信号,使扬声器(或耳机)中的动片随声音信号振动。
从接收到的高频振荡电流中"检"出所携带的调制信号过程,叫做检波。检波是调制的逆过程,因此也叫解调。由于调制的方法不同,检波的方法也不同。检波之后的信号再经过放大、重现,我们就可以听到或看到了。
下面介绍收音机中对调幅波的检波。
上图是晶体二极管的检波电路,是利用晶体二极管的单向导电性来进行检波的。调谐电路中产生的是经过调幅的高频振荡电流,L1和L2绕在同一磁棒上,由于互感作用,在L2上产生的是高频交变电压.由于二极管的单向导电性,通过它的是单向脉动电流,这个单向脉动电流既有高频成分,又有低频的声音信号,高频成分基本从电容器C(复习旁路电容器)通过,剩下的音频电流通过耳机发声。(用示波器观察检波过程)实际上就是一个晶体二极管收音机的电路图.这种收音机声音很小,只能用开机收听本地电台.为了提高收音机的接收性能,需要用放大器把微弱的信号放大.下图示是加有放大器的收音机方框图.由天线和调谐电路接收到的高频调幅电流,先通过放大器进行高频放大,然后进行检波和低频放大,放大后的音频电流输送到喇叭,使它们发出声音。


返回顶部
刷新页面
下到页底