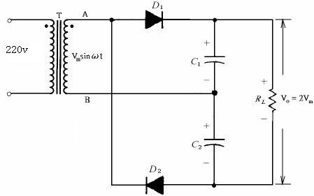
倍压整流电路原理:
(1)负半周时,即A为负、B为正时,D1导通、D2截止,电源经D1向电容器C1充电,在理想情况下,此半周内,D1可看成短路,同时电容器C1充电到Vm,其电流路径及电容器C1的极性如上图(a)所示。
(2)正半周时,即A为正、B为负时,D1截止、D2导通,电源经C1、D1向C2充电,由于C1的Vm再加上双压器二次侧的Vm使c2充电至最高值2Vm,其电流路径及电容器C2的极性如上图(b)所示.
其实C2的电压并无法在一个半周内即充至2Vm,它必须在几周后才可渐渐趋近于2Vm,为了方便说明,底下电路说明亦做如此假设。
如果半波倍压器被用于没有变压器的电源供应器时,我们必须将C1串联一电流限制电阻,以保护二极管不受电源刚开始充电涌流的损害。
如果有一个负载并联在倍压器的输出出的话,如一般所预期地,在(输入处)负的半周内电容器C2上的电压会降低,然后在正的半周内再被充电到2Vm如下图所示。
图1 直流半波整流电压电路
(a)负半周 (b)正半周
图3 输出电压波形
所以电容器c2上的电压波形是由电容滤波器过滤后的半波讯号,故此倍压电
路称为半波电压电路。
正半周时,二极管D1所承受之最大的逆向电压为2Vm,负半波时,二极管D2所承受最大逆向电压值亦为2Vm,所以电路中应选择PIV 2Vm的二极管。
2、全波倍压电路
图4 全波整流电压电路
(a)正半周 (b)负半周
图5 全波电压的工作原理
正半周时,D1导通,D2截止,电容器C1充电到Vm,其电流路径及电容C1的极性如上图(a)所示。
负半周时,D1截止,D2导通,电容器C2充电到Vm,其电流路径及电容C2的极性如上图(b)所示。
由于C1与C2串联,故输出直流电压,V0=Vm。如果没有自电路抽取负载电流的话,电容器C1及C2上的电压是2Vm。如果自电路抽取负载电流的话,电容器C1及C2上的电压是与由全波整流电路馈送的一个电容器上的电压同样的。不同之处是,实效电容为C1及C2的串联电容,这比C1及C2单独的都要小。这种较低的电容值将会使它的滤波作用不及单电容滤波电路的好。
正半周时,二极管D2所受的最大逆向电压为2Vm,负半周时,二极管D1所承受的最大逆向电压为2Vm,所以电路中应选择PVI 2Vm的二极管。
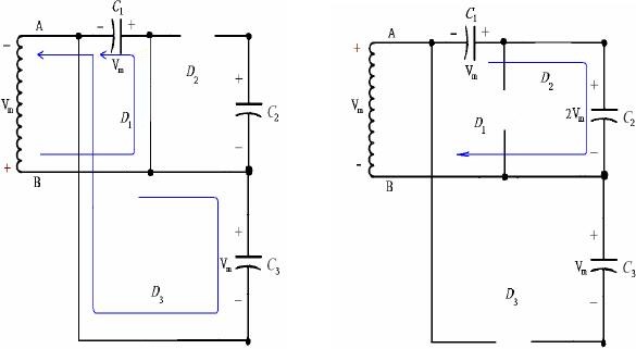
图6 三倍压电路图
(a)负半周 (b)正半周
图7 三倍压的工作原理
负半周时,D1、D3导通,D2截止,电容器C1及C3都充电到Vm,其电流路径及电容器的极性如上图(a)所示。
正半周时,D1、D3截止,D2导通,电容器C2充电到2Vm,其电流路径及电容器的极性如上图(b)所示。
由于C2与C3串联。故输出直流电压V0=3m。
正半周时,D1及D3所承受的最大逆向电压为2Vm,负半周时,二极管D2所承受的最大逆向电压为2Vm,所以电路中应选择PIV 2Vm的二极管。
4、N倍电压路
下图中的半波倍压电路的推广形式,它能产生输入峰值的的三倍或四倍的电压。根据线路接法的发式可看出,如果在接上额外的二极管与电容器将使输出电压变成基本峰值(Vm)的五、六、七、甚至更多倍。(即N倍)
。
N倍压电路的工作原理
负半周时,D1导通,其他二极管皆截止,电容器C1充电到Vm,其电流路径及电容器的极性如图(a)所示。
正半周时,D2导通,其他二极管皆截止,电容器C2充电到2Vm,其电流路径及电容器的极性如上图(b)所示。
负半周时,D3导通,其他二极管皆截止,电容器C3充电到2Vm,其电流路径及电容器的极性如上图(c)所示。
正半周时,D4导通,其他二极管皆截止,电容器C4充电到2Vm,其电流路径及电容器的极性如上图(d)所示。 所以从变压器绕线的顶上量起的话,在输出处就可以得到Vm的奇数倍,如果从变压器的绕线的底部量起的话,输出电压就会是峰值电压的Vm偶数倍。


返回顶部
刷新页面
下到页底