我来说一下这个问题吧,我尽量说的简单一点。直流无刷电机是什么,直流无刷电机的控制原理:
下图是无刷电机的转子结构。
在这个转子内侧,有两个永久性磁铁,一个是N极,一个是S极。这种结构属于外转子型的无刷电机,即电机的转子在外面,而定子在内部。如下图所示:
电机的定子结构是线圈,也就是电磁铁。定子在内部是固定不动的,那么,大家来想一下,如何才能让这个电机转起来呢?
其实这个很容易想到,利用磁铁异性相吸的原理,如果我给定子线圈通电如下所示,会发生什么情况呢?
很显然,外面的转子由于异性相吸的原理会逆时针转动,让自己的N极靠近定子电磁铁的S极,自己的S极靠近定子的N极。很简单吧。看他们慢慢的靠近了。
如果两个磁极靠近了怎么办呢?还能继续转动吗?显然他们不想继续转动了。不过我们有办法。
我们让下一个线圈通电,刚才这个线圈不通电,即上图中标B的线圈通电流。这样永磁铁就开始继续赶路追寻下一个目标了。如下图所示。
这个过程就好比你拿了一个胡萝卜去勾引一头驴,你的胡萝卜和驴以同样的速度在运动,蠢驴永远也追不上胡萝卜,但是蠢驴终归是蠢驴,它会一直追下去。
就这样,无刷电机就转起来了,这当然是无刷电机最简单、最基本的运行原理而已。它是有明显的缺点的,它转动的时候会抖动,一会快一会儿慢,就像这头奔跑的蠢驴一样,它看见胡萝卜就跑,看不见的时候就不想跑,快追上胡萝卜的时候跑得快,离胡萝卜远的时候跑的慢,怎么办呢?干脆在给这个驴后面放个鞭子,拿鞭子打它让他赶紧的跑。于是乎就有了这样的电机,如下图所示。
在上图中,前面一个电磁铁线圈在勾引永磁铁,后面一个电磁铁线圈在推动永磁铁。就好像一头驴,前面有吃的东西,后面有鞭子,你说它跑还是不跑呢?
这样这头蠢驴就开始卖力的马不停蹄的奔跑了。。
有人说,哦,原来无刷电机这么简单啊?No,No,No,这里面的关键技术是你怎样让内部的定子线圈产生在合适的时间产生合适的电流?这简单吗?其实没有电力电子技术的支持一点也不简单啊。
有同学又问了,定子线圈怎么知道什么时候通什么电流,怎么知道驴什么时候追上来了,什么时候移动胡萝卜?
其实我们在无刷电机里面安装了霍尔传感器,霍尔传感器能够感受转子永磁铁的位置,也就是驴的位置,它能够及时的把驴的位置报告给定子线圈控制器,控制器根据这个信息来控制定子内部的线圈电流流向。就这样无刷电机就转起来了。
我们可以看到,无刷电机的定子线圈内部的电流其实也在不停的改变方向,所以其实是交流电,但是我们说的是无刷直流电机啊,是的,我们用的是直流电源啊,直流电源通过无刷电机的驱动器变成了交流电,这个过程其实是无刷电机的比较核心的技术。
普通直流电机线圈内部也是流通的交流电,但是普通电机是通过电刷和换向器的合作把直流电变成了交流电,电刷这个装置像一个刷子一样一直在摩擦,使得普通直流电机结构复杂,使用寿命不够长,而无刷电机用的是电力电子技术实现了电流的逆变(直流变交流),没有了电刷这个结构,所以叫做无刷电机。是一种技术的进步。
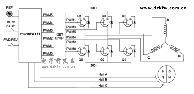
上个图吓唬一下你们。
怕不怕?
不怕你给大家讲讲吧!我先讲到这里吧。
至于无刷电机的特点和优点以及应用场合,其他人已经回答的比较好了,我就不说了。


返回顶部
刷新页面
下到页底