3.1.2 半导体二极管的开关特性及原理分析
半导体二极管最显著的特点是具有单向导电特性
一、静态特性
1.二极管开关应用举例
图3.2给出的是最简单的硅二极管开关电路。输入电压为ui,其低电平为UiL=-2V,高电平为UiH=3V。
(a) (b) (c)
图 3.2 硅二极管开关电路及其直流等效电路
(1)ui=UiL=-2V时
半导体二极管反偏,D处在反向截止区,如同一个断开了的开关,直流等效电路如图3.2(b)所示,显然,输出电压为0V,即uO=0。
(2)ui=UiH=3V时
半导体二极管正向偏置,D工作在正向导通区,其导通压降UD≈0.7V,
如同一个具有0.7V压降、闭合了的开关,直流等效电路如图3.2(c)所
示,显然输出电压等于UiH减去UD,即
uO=UiH-UD=(3- 0.7)V=2.3V
2.静态开关特性
通过对最简单的二极管开关电路的分析可知,硅半导体二极管具有下列静态开关特性:
(1)导通条件及导通时的特点
当外加正向电压UD >0.7V时,二极管导通,而且一旦导通之后,就可以近似地认为UD ≈0.7V不变,如同一个具有0.7V压降闭合了的开关。在有些情况下,例如在图3.2所示电路中,当ui=UiH很大时,便可近似地认为uO≈UiH,即忽略二极管导通压降。
(2)截止条件及截止时的特点
当外加电压UD<0.5V时,二极管截止,而且一旦截止之后,就近似地认为ID≈0,如同一个断开了的开关。
二、动态特性
1.二极管的电容效应
(1)结电容Cj
(2)扩散电容CD
2.二极管的开关时间
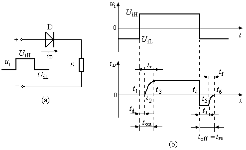
(1)简单二极管开关电路及ui和iD的波形
如图所示是一个最简单的二极管开关电路及相应的ui和iD的波形。
(2)开通时间ton
当输入电压ui由UiL跳变到UiH时,二极管D要经过导通延迟时间td=t2-t1、上升时间tr=t3-t2之后,才能由截止状态转换到导通状态。其原因在于,当ui正跳变时,只有当PN结中电荷量减少,PN结由反偏转换到正偏,也即Cj放电后,二极管D才会导通,此后流过二极管中的电流iD也只能随着扩散存储电荷的增加而增加,也即随着CD的充电而增加,并逐步达到稳态值ID=(UiH-UD)/R。所以半导体二极管的开通时间为
ton=td+tr
(3)关断时间toff
当输入电压ui由UiH跳变到UiL时,二极管D经过存储时间ts=t5-t4、下降时间(也叫做渡越时间)tf=t6-t5之后,才会由导通状态转换到截止状态。ts是存储电荷消散时间,tf是PN结由正偏到反偏,PN结中电荷量逐渐增加到截止状态下稳态值的时间,也即CD放电、Cj充电的时间。关断时间toff也叫做反向恢复时间,常用tre表示。其关断时间为
toff=tre=ts+tf
由于半导体二极管的开通时间ton比关断时间toff短得多,所以一般情况下可以忽略不计,而只考虑关断时间,也即反向恢复时间tre。一般开关二极管的反向恢复时间也只有几个纳秒。例如,用于高速开关电路的平面型硅开关管2CK系列,tre≤5ns。


返回顶部
刷新页面
下到页底