二极管检波电路及故障处理
如图9-48所示是二极管检波电路。电路中的VD1是检波二极管,C1是高频滤波电容,R1是检波电路的负载电阻,C2是耦合电容。
图9-48 二极管检波电路
1.电路分析准备知识
众所周知,收音机有调幅收音机和调频收音机两种,调幅信号就是调幅收音机中处理和放大的信号。见图中的调幅信号波形示意图,对这一信号波形主要说明下列几点:
(1)从调幅收音机天线下来的就是调幅信号。
(2)信号的中间部分是频率很高的载波信号,它的上下端是调幅信号的包络,其包络就是所需要的音频信号。
(3)上包络信号和下包络信号对称,但是信号相位相反,收音机最终只要其中的上包络信号,下包络信号不用,中间的高频载波信号也不需要。
2.电路中各元器件作用说明
如表9-43所示是元器件作用解说。
表9-43 元器件作用解说
|
元器件名称 |
解说 |
| 检波二极管VD1 | 将调频信号中的下半部分去掉,留下上包络信号上半部分的高频载波信号。 |
| 高频滤波电容C1 | 将检波二极管输出信号中的高频载波信号去掉。 |
| 检波电路负载电阻R1 | 检波二极管导通时的电流回路由R1构成,在R1上的压降就是检波电路的输出信号电压。 |
| 耦合电容C2 | 检波电路输出信号中有不需要的直流成分,还有需要的音频信号,这一电容的作用是让音频信号通过,不让直流成分通过。 |
3.检波电路工作原理分析
检波电路主要由检波二极管VD1构成。
在检波电路中,调幅信号加到检波二极管的正极,这时的检波二极管工作原理与整流电路中的整流二极管工作原理基本一样,利用信号的幅度使检波二极管导通,如图9-49所示是调幅波形展开后的示意图。
图9-49 调幅波形时间轴展开示意图
从展开后的调幅信号波形中可以看出,它是一个交流信号,只是信号的幅度在变化。这一信号加到检波二极管正极,正半周信号使二极管导通,负半周信号使二极管截止,这样相当于整流电路工作一样,在检波二极管负载电阻R1上得到正半周信号的包络,即信号的虚线部分,见图中检波电路输出信号波形(不加高频滤波电容时的输出信号波形)。
检波电路输出信号由音频信号、直流成分和高频载波信号三种信号成分组成,详细的电路分析需要根据三种信号情况进行展开。这三种信号中,最重要的是音频信号处理电路的分析和工作原理的理解。
(1)所需要的音频信号,它是输出信号的包络,如图9-50所示,这一音频信号通过检波电路输出端电容C2耦合,送到后级电路中进一步处理。
图9-50 检波电路输出端信号波形示意图
(2)检波电路输出信号的平均值是直流成分,它的大小表示了检波电路输出信号的平均幅值大小,检波电路输出信号幅度大,其平均值大,这一直流电压值就大,反之则小。这一直流成分在收音机电路中用来控制一种称为中频放大器的放大倍数(也可以称为增益),称为AGC(自动增益控制)电压。AGC电压被检波电路输出端耦合电容隔离,不能与音频信号一起加到后级放大器电路中,而是专门加到AGC电路中。
(3)检波电路输出信号中还有高频载波信号,这一信号无用,通过接在检波电路输出端的高频滤波电容C1,被滤波到地端。
| 一般检波电路中不给检波二极管加入直流电压,但在一些小信号检波电路中,由于调幅信号的幅度比较小,不足以使检波二极管导通,所以给检波二极管加入较小的正向直流偏置电压,如图所示,使检波二极管处于微导通状态。 | |
从检波电路中可以看出,高频滤波电容C1接在检波电路输出端与地线之间,由于检波电路输出端的三种信号其频率不同,加上高频滤波电容C1的容量取得很小,这样C1对三种信号的处理过程不同。
(1)对于直流电压而言,电容的隔直特性使C1开路,所以检波电路输出端的直流电压不能被C1旁路到地线。
(2)对于音频信号而言,由于高频滤波电容C1的容量很小,它对音频信号的容抗很大,相当于开路,所以音频信号也不能被C1旁路到地线。
(3)对于高频载波信号而言,其频率很高,C1对它的容抗很小而呈通路状态,这样惟有检波电路输出端的高频载波信号被C1旁路到地线,起到高频滤波的作用。
如图9-51所示是检波二极管导通后的三种信号电流回路示意图。负载电阻构成直流电流回路,耦合电容取出音频信号。
图9-51 检波二极管导通后三种信号电流回路示意图
4.故障检测方法及电路故障分析
对于检波二极管不能用测量直流电压的方法来进行检测,因这这种二极管不工作在直流电压中,所以要采用测量正向和反向电阻的方法来判断检波二极管质量。
当检波二极管开路和短路时,都不能完成检波任务,所以收音电路均会出现收音无声故障。
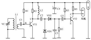
5.实用倍压检波电路工作原理分析
如图9-52所示是实用倍压检波电路,电路中的C2和VD1、VD2构成二倍压检波电路,在收音机电路中用来将调幅信号转换成音频信号。电路中的C3是检波后的滤波电容。通过这一倍压检波电路得到的音频信号,经耦合电容C5加到音频放大管中。
图9-52 实用倍压检波电路


返回顶部
刷新页面
下到页底