开尔文电桥又称“双臂电桥”,是一种利用电位比较的方法进行测量的仪器,具有很高的灵敏度和准确性,在电测技术和自动控制测量应用极为广泛。而开尔文电桥又是惠斯通电桥的变形,在测量小阻值电阻(通常<1欧)时具有相当高的准确度,适于测量10-5~10Ω低阻值电阻。
1862年英国的W.汤姆孙在研究利用单比电桥测量小电阻遇到困难时,发现引起测量产生较大误差的原因是引线电阻和连接点处的接触电阻。这些电阻值可能远大于被测电阻值。因此,他提出了如图1所示的桥路,被称为汤姆孙电桥。后因他晋封为开尔文勋爵,故又称开尔文电桥。图中R3、R4分别是标准电阻与被测小电阻器,R1、R2是形成所需比值的两桥臂。r是跨线电阻(包括R3、R4两电阻器间的引线电阻、接触电阻及内部连线电阻)。为获得准确的测量结果,消除r的影响,须将r按R1和R2的同样比例分配给R3和R4,R姈和R娦就是为此目的而设置的。在电桥调平衡时,应保直流电桥持R姈、R娦的比值一直与R1R2的比值相等。由于这一特点,这种桥路又称双比电桥。所测电阻值可低到毫欧级或更小。根据双比电桥原理又发展出史密斯电桥,三平衡电桥和四跨线电桥等,使得采用桥路测小电阻的理论与实践臻于完善。

开尔文电桥(双电桥)测低电阻的原理:
单电桥测几欧姆的低电阻时,由于引线电阻和接触电阻(约10-2~10-4Ω),已经不可忽略,致使测量值误差较大。改进办法是将其中的低电阻桥臂改为四端接法,并增接一对高电阻(如图2)。
图2四线接法等效电路图

改用四线接法后的等效电路为图1。r1,r2串联在电源回路中,其影响可忽略。r3,r4接高电阻,其影响也可忽略。
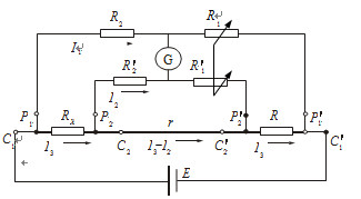
实际的电路如图3 双臂电桥原理图:

由电路方程解得
使r尽量小,并将两对比率臂做成联动机构,尽量使
则
。
1.测量范围共分三档 a.×0.1 0~2.17×10 Ω
b. ×1.0 0~2.17×10 Ω
c. ×10 0~2.17×10 Ω
2.工作电流:4.0安培;
3.刻度尺分度:100格均匀刻度;
4.粗细均匀的黄铜棒电阻均匀分布,滑动触头接触良好,调节方便;
5.比例臂电阻由误差为±0.1%的8个标准电阻按一定顺序排列构成;
6.待测金属棒:黄铜棒、紫铜棒、铝棒、铁棒各一根;
7.仪器外形尺寸:500×250×60mm


返回顶部
刷新页面
下到页底