电子开发网

电子开发网电子设计 | 电子开发网Rss 2.0 会员中心 会员注册
搜索: 您现在的位置: 电子开发网 >> 电子开发 >> MCU开发实例 >> 正文

LCD1602的单片机驱动详解

作者:佚名    文章来源:本站原创    点击数:    更新时间:2018-11-05

一.接口

 

LCD1602是很多单片机爱好者较早接触的字符型液晶显示器,它的主控芯片是HD44780或者其它兼容芯片。刚开始接触它的大多是单片机的初学者。由于对它的不了解,不能随心所欲地对它进行驱动。经过一段时间的学习,我对它的驱动有了一点点心得,今天把它记录在这里,以备以后查阅。与此相仿的是LCD12864液晶显示器,它是一种图形点阵显示器,能显示的内容比LCD1602要丰富得多,除了普通字符外,还可以显示点阵图案,带有汉字库的还可以显示汉字,它的并行驱动方式与LCD1602相差无几,所以,在这里花点时间是值得的。

一般来说,LCD1602有16条引脚,据说还有14条引脚的,与16脚的相比缺少了背光电源A(15脚)和地线K(16脚)。我手里这块LCD1602的型号是HJ1602A,是绘晶科技公司的产品,它有16条引脚。如图1所示:



图1

再来一张它的背面的,如图2所示:



图2

它的16条引脚定义如下:

引脚号

符号

引脚说明

引脚号

符号

引脚说明

1

VSS

电源地

9

D2

数据端口

2

VDD

电源正极

10

D3

数据端口

3

VO

偏压信号

11

D4

数据端口

4

RS

命令/数据

12

D5

数据端口

5

RW

读/写

13

D6

数据端口

6

E

使能

14

D7

数据端口

7

D0

数据端口

15

A

背光正极

8

D1

数据端口

16

K

背光负极

对这个表的说明:

1.    VSS接电源地。

2.    VDD接+5V。

3.    VO是液晶显示的偏压信号,可接10K的3296精密电位器。或同样阻值的RM065/RM063蓝白可调电阻。见图3。


图3

4.    RS是命令/数据选择引脚,接单片机的一个I/O,当RS为低电平时,选择命令;当RS为高电平时,选择数据。

5.    RW是读/写选择引脚,接单片机的一个I/O,当RW为低电平时,向LCD1602写入命令或数据;当RW为高电平时,从LCD1602读取状态或数据。如果不需要进行读取操作,可以直接将其接VSS。

6.    E,执行命令的使能引脚,接单片机的一个I/O。

7.    D0—D7,并行数据输入/输出引脚,可接单片机的P0—P3任意的8个I/O口。如果接P0口,P0口应该接4.7K—10K的上拉电阻。如果是4线并行驱动,只须接4个I/O口。

8.    A背光正极,可接一个10—47欧的限流电阻到VDD。

9.    K背光负极,接VSS。见图4所示。


图4

二.基本操作

LCD1602的基本操作分为四种:

1.    读状态:输入RS=0,RW=1,E=高脉冲。输出:D0—D7为状态字。

2.    读数据:输入RS=1,RW=1,E=高脉冲。输出:D0—D7为数据。

3.    写命令:输入RS=0,RW=0,E=高脉冲。输出:无。

4.    写数据:输入RS=1,RW=0,E=高脉冲。输出:无。

读操作时序图(如图5):


 图5

写操作时序图(如图6):


图6

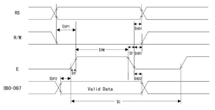
时序时间参数(如图7):


图7

三.DDRAM、CGROM和CGRAM

DDRAM(Display Data RAM)就是显示数据RAM,用来寄存待显示的字符代码。共80个字节,其地址和屏幕的对应关系如下(如图8):


 图8

DDRAM相当于计算机的显存,我们为了在屏幕上显示字符,就把字符代码送入显存,这样该字符就可以显示在屏幕上了。同样LCD1602共有80个字节的显存,即DDRAM。但LCD1602的显示屏幕只有16×2大小,因此,并不是所有写入DDRAM的字符代码都能在屏幕上显示出来,只有写在上图所示范围内的字符才可以显示出来,写在范围外的字符不能显示出来。这样,我们在程序中可以利用下面的“光标或显示移动指令”使字符慢慢移动到可见的显示范围内,看到字符的移动效果。

前面说了,为了在液晶屏幕上显示字符,就把字符代码送入DDRAM。例如,如果想在屏幕左上角显示字符‘A’,那么就把字符‘A’的字符代码41H写入DDRAM的00H地址处即可。至于怎么写入,后面会有说明。那么为什么把字符代码写入DDRAM,就可以在相应位置显示这个代码的字符呢?我们知道,LCD1602是一种字符点阵显示器,为了显示一种字符的字形,必须要有这个字符的字模数据,什么叫字符的字模数据,看看下面的这个图就明白了(如图9)。


图9

上图的左边就是字符‘A’的字模数据,右边就是将左边数据用“○”代表0,用“■”代表1。从而显示出‘A’这个字形。从下面的图可以看出,字符‘A’的高4位是0100,低4位是0001,合在一起就是01000001b,即41H。它恰好与该字符的ASCII码一致,这样就给了我们很大的方便,我们可以在PC上使用P2=‘A’这样的语法。编译后,正好是这个字符的字符代码。

在LCD1602模块上固化了字模存储器,就是CGROM和CGRAM,HD44780内置了192个常用字符的字模,存于字符产生器CGROM(Character Generator ROM)中,另外还有8个允许用户自定义的字符产生RAM,称为CGRAM(Character Generator RAM)。下图(如图12)说明了CGROM和CGRAM与字符的对应关系。从ROM和RAM的名字我们也可以知道,ROM是早已固化在LCD1602模块中的,只能读取;而RAM是可读写的。也就是说,如果只需要在屏幕上显示已存在于CGROM中的字符,那么只须在DDRAM中写入它的字符代码就可以了;但如果要显示CGROM中没有的字符,比如摄氏温标的符号,那么就只有先在CGRAM中定义,然后再在DDRAM中写入这个自定义字符的字符代码即可。和CGROM中固化的字符不同,CGRAM中本身没有字符,所以要在DDRAM中写入某个CGROM不存在的字符,必须在CGRAM中先定义后使用。程序退出后CGRAM中定义的字符也不复存在,下次使用时,必须重新定义。


图10

上面这个图(如图10)说明的是5×8点阵和5×10点阵字符的字形和光标的位置。先来说5×8点阵,它有8行5列。那么定义这样一个字符需要8个字节,每个字节的前3个位没有被使用。例如,定义摄氏温标的符号{0x10,0x06,0x09,0x08,0x08,0x09,0x06,0x00}。


 图11

上面这个图(如图11)说明的是设置CGRAM地址指令。从这个指令的格式中我们可以看出,它共有aaaaaa这6位,一共可以表示64个地址,即64个字节。一个5×8点阵字符共占用8个字节,那么这64个字节一共可以自定义8个字符。也就是说,上面这个图的6位地址中的DB5DB4DB3用来表示8个自定义的字符,DB2DB1DB0用来表示每个字符的8个字节。这DB5DB4DB3所表示的8个自定义字符(0--7)就是要写入DDRAM中的字符代码。我们知道,在CGRAM中只能定义8个自定义字符,也就是只有0—7这8个字符代码,但在下面的这个表(如图12)中一共有16个字符代码(××××0000b--××××1111b)。实际上,如图所示,它只能表示8个自定义字符 (××××0000b=××××1000b, ××××0001b=××××1001b……依次类推)。也就是说,写入DDRAM中的字符代码0和字符代码8是同一个自定义字符。 5×10点阵每个字符共占用16个字节的空间,所以CGRAM中只能定义4个这样的自定义字符。

那么如何在CGRAM中自定义字符呢?在上面的介绍中,我们知道有一个设置CGRAM地址指令,同写DDRAM指令相似,只须设置好某个自定义字符的字模数据,然后按照上面介绍的方法,设置好CGRAM地址,依次写入这个字模数据即可。我们在后面的例子中再进行说明。


 图12

四.LCD1602指令

1.工作方式设置指令(如图13)


 图13

×:不关心,也就是说这个位是0或1都可以,一般取0。

DL:设置数据接口位数。

DL=1:8位数据接口(D7—D0)。

DL=0:4位数据接口(D7—D4)。

N=0:一行显示。

N=1:两行显示。

F=0:5×8点阵字符。

F=1:5×10点阵字符。

说明:因为是写指令字,所以RS和RW都是0。LCD1602只能用并行方式驱动,不能用串行方式驱动。而并行方式又可以选择8位数据接口或4位数据接口。这里我们选择8位数据接口(D7—D0)。我们的设置是8位数据接口,两行显示,5×8点阵,即0b00111000也就是0x38。(注意:NF是10或11的效果是一样的,都是两行5×8点阵。因为它不能以两行5×10点阵方式进行显示,换句话说,这里用0x38或0x3c是一样的)。

2.显示开关控制指令(如图14)


图14

D=1:显示开,D=0:显示关。

C=1:光标显示,C=0:光标不显示。

B=1:光标闪烁,B=0:光标不闪烁。

说明:这里的设置是显示开,不显示光标,光标不闪烁,设置字为0x0c。

3.进入模式设置指令(如图15、16)


图15

I/D=1:写入新数据后光标右移。

I/D=0:写入新数据后光标左移。

S=1:显示移动。

S=0:显示不移动。


 图16

说明:这里的设置是0x06。

4.光标或显示移动指令(如图17、18)


图17


 图18

说明:在需要进行整屏移动时,这个指令非常有用,可以实现屏幕的滚动显示效果。初始化时不使用这个指令。

5.清屏指令(如图19)


图19

说明:清除屏幕显示内容。光标返回屏幕左上角。执行这个指令时需要一定时间。

6.光标归位指令(如图20)

 

 图20

说明:光标返回屏幕左上角,它不改变屏幕显示内容。

7.设置CGRAM地址指令(如图21)


图21

说明:这个指令在上面已经介绍过。用法在后面例子中说明。

8.设置DDRAM地址指令(如图22)


图22

说明:这个指令用于设置DDRAM地址。在对DDRAM进行读写之前,首先要设置DDRAM地址,然后才能进行读写。前面我们说过,DDRAM就是LCD1602的显示存储器。我们要在它上面进行显示,就要把要显示的字符写入DDRAM。同样,我们想知道DDRAM某个地址上有什么字符,也要先设置DDRAM地址,然后将它读出到单片机。

9.读忙信号和地址计数器AC(如图23)


图23

说明:这个指令用来读取LCD1602状态。对于单片机来说,LCD1602属于慢速设备。当单片机向其发送一个指令后,它将去执行这个指令。这时如果单片机再次发送下一条指令,由于LCD1602速度较慢,前一条指令还未执行完毕,它将不接受这新的指令,导致新的指令丢失。因此这条读忙指令可以用来判断LCD1602是否忙,能否接收单片机发来的指令。当BF=1,表示LCD1602正忙,不能接受单片机的指令;当BF=0,表示LCD1602空闲,可以接收单片机的指令。RS=0,表示是指令;RW=1,表示是读取。这条指令还有一个副产品:即可以得到地址记数器AC的值(address counter)。LCD1602维护了一个地址计数器AC,用来记录下一次读写CGRAM或DDRAM的位置。需要强调的是:这条指令我一次也没有执行成功。很多网友似乎也是这样。好在我们有另外的办法,也就是延时。通过查看每条指令的执行时间,再经过一些试验,可以确定指令的延时。这样就可以在上一条指令执行完毕后再执行下一条指令了。

10.写数据到CGRAM或DDRAM指令(如图24)


图24

说明:RS=1,数据;RW=0,写。指令执行时,要在DB7—DB0上先设置好要写入的数据,然后执行写命令。

11.从CGRAM或DDRAM读数据指令(如图25)


图25

说明:RS=1,数据;RW=1,读。先设置好CGRAM或DDRAM的地址,然后执行读取命令。数据就被读入后DB7—DB0。

 

五.实例

下面我们就以一个实例来结束这篇文章。先介绍一下背景:单片机最小系统(扩充了外部RAM 62256)。采用STC89C52RC,晶振22.1184MHZ。以5×8点阵,16×2行,8位数据端口。首先在第一行显示“I love MCU!”,第二行显示“LCD1602 Test!”。延时一段时间,清屏。然后在第一行显示自定义字符:摄氏温标标志。第二行显示圆周率(pai)标志。再延时一段时间,清屏。最后在第一行显示“Welcome to my blog!”,显示方式是从屏幕右面移入,左面移出。周而复始(如图26)。


图26

//File1

 

#ifndef __ZHANGTYPE_H__

#define __ZHANGTYPE_H__

 

#define uint8    unsigned char

#define uint16   unsigned short int

#define uint32   unsigned long int

#define int8     signed char

#define int16    signed short int

#define int32    signed long int

#define uint64   unsigned long long int

#define int64    signed long long int

 

#endif 

//File2

 

#ifndef __FUN_H__

#define __FUN_H__ 

#include "ZhangType.h"

#include  

void Delay(uint16 time); 

#endif 

//File3

 

#include "fun.h" 

void Delay(uint16 time)

{

    while(time--);

} 

//File4

 

#ifndef __1602_H__

#define __1602_H__

 

#include

#include "ZhangType.h"          //变量类型

#include "fun.h"            //常用函数 

 

#define    SETMODE    0x38          //16*2显示,5*7点阵,8位数据接口

#define DISOPEN   0x0C          //显示开,不显示光标,光标不闪烁

#define DISMODE   0x06          //读写字符后地址加1,屏显不移动

#define    SETADDR    0x80          //设置数据地址指针初始值

#define CLEAR 0x01          //清屏,数据指针清零

#define RET       0x02          //回车,数据指针清零 

#define PORT  P2            //I/O口 

 

sbit RS = P1^0;

sbit RW = P1^1;

sbit E = P1^2; 

 

void Init1602(void);        //初始化1602

void Write1602_Com(uint8 com);  //写命令

void Write1602_Dat(uint8 dat);  //写数据

void CheckBusy(void);           //检查忙

void Write1602_One_Dat(uint8 X,uint8 Y,uint8 dat);          //写一个数据

void Write1602_Str(uint8 addr,uint8 length,uint8 *pbuf);    //写一个数据串 

#endif//

//File5

 

#include "1602.h" 

 

void Write1602_Com(uint8 com)

{

    E=0;

    RS=0;                    //命令

    Delay(50);               //延时

    RW=0;                    //写         

    Delay(50);

    PORT=com;                //端口赋值

    Delay(50);

    E=1;                     //高脉冲

    Delay(50);

    E=0;

}

 

void Write1602_Dat(uint8 dat)

{

    E=0;

    RS=1;                    //数据

    Delay(50);               //延时

    RW=0;                    //写

    Delay(50);

    PORT=dat;                //端口赋值

    Delay(50);

    E=1;                     //高脉冲

    Delay(50);

    E=0;

} 

 

void CheckBusy(void)

{

    uint8 temp;

    RS=0;                    //命令

    RW=1;                    //读

    E=0;

    while(1)

    {

       PORT=0xFF;           //端口为输入

       E=1;                 //高脉冲

       temp=PORT;

       E=0;

       if ((temp&0x80)==0)      //检查BF位是否为0

           break;

    }

} 

 

void Init1602(void)

{

    Write1602_Com(SETMODE);     //模式设置

    Delay(500);

    Write1602_Com(DISOPEN);     //显示设置

    Delay(500);

    Write1602_Com(DISMODE);     //显示模式

    Delay(500);

    Write1602_Com(CLEAR);       //清屏

    Delay(500);

} 

 

void Write1602_One_Dat(uint8 x,uint8 y,uint8 dat)

{

    x&=0x0f;

    y&=0x01;

    if(y)

       x|=0x40;

    x|=0x80;

    Write1602_Com(x);

    Write1602_Dat(dat);

} 

 

void Write1602_Str(uint8 addr,uint8 length,uint8 *pbuf)

{

    uint8 i; 

    Write1602_Com(addr);

    for(i=0;i

    {

       Write1602_Dat(pbuf[i]);

    }

} 

//File6

*******************************************************

*名称:主文件(_main.c)

*功能:测试

*日期:2014/09/09

*******************************************************/

#include "1602.h"

#include "fun.h" 

uint8 code hot[8]={                                  //摄氏温度字模

0x10,0x06,0x09,0x08,0x08,0x09,0x06,0x00

};

uint8 code pi[8]={                       

0x00,0x1f,0x0a,0x0a,0x0a,0x13,0x00,0x00                 //pai

}; 

uint8 code strMCU[]="I love MCU!";

uint8 code strTest[]="LCD1602 Test!";

uint8 code blog[]="Welcome to my blog!"; 

uint8 i; 

void main()

{

    Init1602();                                      //初始化1602 

    //自定义CGRAM

    Write1602_Str(0x40,8,hot);                       //摄氏温标

    Write1602_Str(0x48,8,pi);                        //pai

 

    Write1602_Str(0x80,strlen(strMCU),strMCU);           //"I love MCU!"

    Write1602_Str(0x80+0x40,strlen(strTest),strTest);    //"LCD1602 Test!"

 

    for(i=0;i<50;i++)                             //延时一段时间

       Delay(10000);

 

    Write1602_Com(CLEAR);                            //指令执行时间较长

    Delay(500);                                      //多加一些延时

    for(i=0;i<16;i++)

       Write1602_Dat(0);

   

    Write1602_Com(0xc0);         &nnbsp;                //设置DDRAM地址

    for(i=0;i<16;i++)

       Write1602_Dat(1);

    for(i=0;i<50;i++)                             //延时一段时间

       Delay(10000);

   

    Write1602_Com(CLEAR);                            //指令执行时间较长

    Delay(500);                                      //多加一些延时

    Write1602_Str(0x80+0x10,strlen(blog),blog);          //写在显示之外

    while(1)

    {

       Write1602_Com(0x18);                      //左移

       for(i=0;i<20;i++)                         //延时

           Delay(10000);

    }

} 

//############################# THE END #############################

Tags:LCD1602,单片机驱动,单片机  
责任编辑:admin
  • 上一篇文章:
  • 下一篇文章: 没有了
  • 请文明参与讨论,禁止漫骂攻击,不要恶意评论、违禁词语。 昵称:
    1分 2分 3分 4分 5分

    还可以输入 200 个字
    [ 查看全部 ] 网友评论
    推荐文章
    • 此栏目下没有推荐文章
    最新推荐
    热门文章
    • 此栏目下没有热点文章
    关于我们 - 联系我们 - 广告服务 - 友情链接 - 网站地图 - 版权声明 - 在线帮助 - 文章列表
    返回顶部
    刷新页面
    下到页底
    晶体管查询