说到呼吸灯的设计,也许大家最先想到的就是苹果。确实,从powerbook g3和ibook开始,苹果的笔记本电脑就开始加入了呼吸灯的设计,只要当用户合上笔记本的时候,位于笔记本前端的睡眠指示灯就会呈呼吸状的闪动,这样的设计第一次出现在大家面前的时候,人们更多的是赞叹苹果的无限创意。很多人也都想自己做一个呼吸灯,起到装饰和工作状态指示效果。下面,我们就介绍几种呼吸灯的电路。
1、了解呼吸特性和时间参数
呼吸分为两个过程:
吸气:指数曲线上升,该过程需要1.5S
呼气:指数曲线下降,该过程需要1.5S.
对成人而言,平均每分钟呼吸16~18次;
对儿童而言,平均每分钟呼吸20次;
上面的参数是在均匀呼吸情况下的次数。可以用来做休眠时候的指示用。
2、呼吸灯演示
3、呼吸灯电路
http://www.rabidhardware.net/?id=5
元件名称
5mm LED 高亮蓝色灯 1个
LM1458N(或HA17458)双运放 1个
2N3904(8050,8550) NPN 三极管(TO92封装) 1 个
22uF 100V /47uF 35v / 47uF 50V电容 1个
47K [1/4w] 4个
100K [1/4w] 2个
100 ohm 1个
说明:
更改电容或者R3的大小可以改变呼吸频率。
经过实验,R3改为两个47K电阻串联起来效果比较好,呼吸的频率比较合适。
另外输入电压串上3个1N4007降一下压,这样效果会更好,呼吸灯会有短暂的熄灭时间。(只适合绿色和蓝色的LED灯,红色的LED因为发光电压比较低不会有熄灭时间,可以再串一些1N4007来达到效果)
另外LM1458是个双运放,用NE5532,CA1558等几乎都行, 至于工作电压,把输入的100欧去掉,直接上7.2就没问题~
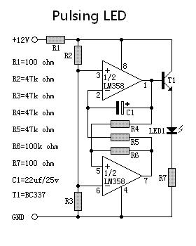
一个台湾网友的呼吸灯电路
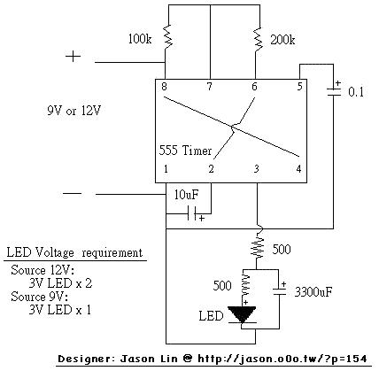
再来一个呼吸灯电路


返回顶部
刷新页面
下到页底