原文:
新房子装了铝合金移门,终于有机会给自己设计一套自动门了。人体检测部分采用了家用电器遥控器的发射接收技术,不受环境光的影响。
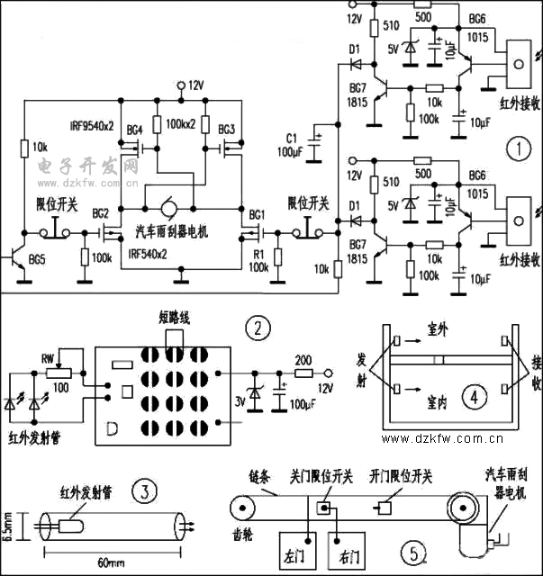
图1是红外接收和电机驱动电路,在无人的时候红外接收器正常接收来自另一侧发过来的红外光束。用60mm长刚好插入红外发射管的导向管(图3)在墙壁上平行固定,高度适当,并和对面的接收器对准,这样发出的红外线是一束,不易干扰另一个接收器。具体安装方法见图4所示。经BG6、BG7、CR等放大滤波后输出低电平,此时BG5截止,BG2、BG3导通执行关门动作。当人走到门口时,红外光被挡住,BG7输出高电平经一路限位开关驱动BG1、BG4执行开门动作,另一路经R1驱动BG5使BG2关断,当门开到指定位置时开门限位开关断开,使电机不再继续运转。当人离开时,BG7不再输出高电平,经电容C1延时三秒钟后执行关门动作。
发射电路可用电视机遥控器成品改制(图2),将原发射管卸掉用引线接至已做好的专用发射器上,两个发射器并联并注意极性。然后找一个合适的按键把它短路,让它一直发射,最好是“屏显”键,为的是尽量不干扰可能在辐射区的电视机。发射功率用RW调整,以刚好能接收到为好。
主要元件选择:电机驱动电路用的四只功率管是IRF9540/P型/100V/19A和IRF540/N型/100V/28A的场效应管,因为它是以电压驱动的,几乎不消耗驱动功率。它的内阻小,温升很小,可以将它们装在一块很小的铝板上,并注意绝缘。电机可以到汽配商店去买12V的雨刮器电机,卸掉它的力臂,装上一个四冲程摩托车发动机的齿轮,用几个小链条接起来,然后用一块钢板做一个支架固定在门上,具体安装方法见图5。
为了防止停电对门的正常使用造成影响,所以我设计了用变压器降压配上12V的蓄电池,主要电路用12V供电,与市电隔离,安全性提高了。


返回顶部
刷新页面
下到页底