电子开发网

电子开发网电子设计 | 电子开发网Rss 2.0 会员中心 会员注册
搜索: 您现在的位置: 电子开发网 >> 电子开发 >> 常用电子制作 >> 正文

555触摸感应开关制作,附电路图

作者:佚名    文章来源:本站原创    点击数:    更新时间:2011-10-4
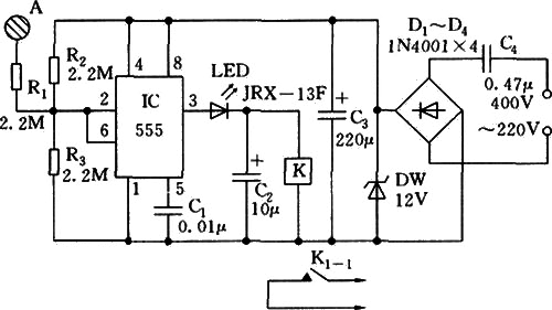
如图所示是触摸感应开关电路图,该电路由降压整流电路和555触发器组成。当手触及金属片A时,感应信号就使555内部的比较器翻转置位,K吸合,触点K1-1闭合;若再触发一下A,则K释放,K1-1断开。
触摸感应开关电路图 
Tags:555触摸感应开关,电路图,感应开关制作  
责任编辑:admin
请文明参与讨论,禁止漫骂攻击,不要恶意评论、违禁词语。 昵称:
1分 2分 3分 4分 5分

还可以输入 200 个字
[ 查看全部 ] 网友评论
关于我们 - 联系我们 - 广告服务 - 友情链接 - 网站地图 - 版权声明 - 在线帮助 - 文章列表
返回顶部
刷新页面
下到页底
晶体管查询