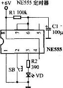
按下轻触开关,灯亮十几秒钟后自动熄灭。延时开关电路如下图所示,工作原理:按下开关sB,电容Cl开始充电,NE555第2、6脚电位低于4V,故第3脚输出高电平,发光二极管点亮,松开开关SB后,当电容电压充至4V时,即NE555第2、6脚电位高于4V,第3脚将输出低电平,发光二极管熄灭。

使用方法:
按下轻触开关,灯亮十几秒钟后自动熄灭;用于定时计时,限时发光,节约用电。
按下轻触开关,灯亮十几秒钟后自动熄灭。延时开关电路如下图所示,工作原理:按下开关sB,电容Cl开始充电,NE555第2、6脚电位低于4V,故第3脚输出高电平,发光二极管点亮,松开开关SB后,当电容电压充至4V时,即NE555第2、6脚电位高于4V,第3脚将输出低电平,发光二极管熄灭。

使用方法:
按下轻触开关,灯亮十几秒钟后自动熄灭;用于定时计时,限时发光,节约用电。