电子开发网

电子开发网电子设计 | 电子开发网Rss 2.0 会员中心 会员注册
搜索: 您现在的位置: 电子开发网 >> 电子开发 >> 常用电子制作 >> 正文

低成本光控开关电路

作者:佚名    文章来源:本站原创    点击数:    更新时间:2011-3-6

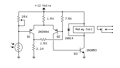
分立器件组成的低成本光控开关电路

这基本上是一个施密特触发器电路接收从硫化镉光敏电阻和控制继电器。

调节电位器,使它可以进行调整起控亮度。

 

光控开关电路

Tags:光电开关,电路图,光控开关  
责任编辑:admin
  • 上一篇文章:
  • 下一篇文章:
  • 请文明参与讨论,禁止漫骂攻击,不要恶意评论、违禁词语。 昵称:
    1分 2分 3分 4分 5分

    还可以输入 200 个字
    [ 查看全部 ] 网友评论
    关于我们 - 联系我们 - 广告服务 - 友情链接 - 网站地图 - 版权声明 - 在线帮助 - 文章列表
    返回顶部
    刷新页面
    下到页底
    晶体管查询