电子开发网

电子开发网电子设计 | 电子开发网Rss 2.0 会员中心 会员注册
搜索: 您现在的位置: 电子开发网 >> 电子开发 >> 常用电子制作 >> 正文

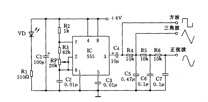
555芯片组成的方波,三角波,正弦波发生器电路图

作者:佚名    文章来源:不详    点击数:    更新时间:2010-11-15

555芯片组成的方波,三角波,正弦波发生器电路图

555芯片组成的方波,三角波,正弦波发生器电路图

Tags:正弦波发生器,波形发生器,电路图  
责任编辑:admin
请文明参与讨论,禁止漫骂攻击,不要恶意评论、违禁词语。 昵称:
1分 2分 3分 4分 5分

还可以输入 200 个字
[ 查看全部 ] 网友评论
关于我们 - 联系我们 - 广告服务 - 友情链接 - 网站地图 - 版权声明 - 在线帮助 - 文章列表
返回顶部
刷新页面
下到页底
晶体管查询