采用555时基电路的简易温度控制器
本电路是采用555 时基集成电路和很少的外围元件组成的一个温度自动控制器。因为电路中各点电压都来自同一直流电源,所以不需要性能很好的稳压电源,用电容降压法便能可靠地工作。电路元件价格低、体积小、便于在业余条件下自制。该电路制作的温度自动控制器可用于工业生产和家用的电加热控制,效果良好。
一、电路工作原理
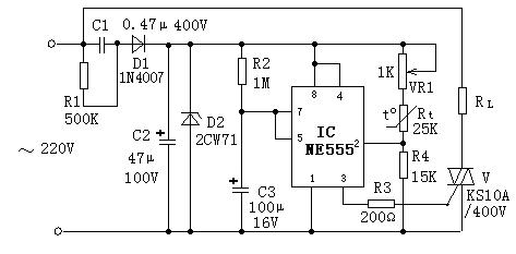
电路原理如图1 所示。
图1 采用555时基电路的简易温度控制器电路图
当温度较低时,负温度系数的热敏电阻Rt 阻值较大,555 时基集成电路(IC)的2 脚电位低于Ec 电压的1/3(约4V), IC 的3 脚输出高电平,触发双向晶闸管V 导通,接通电加热器RL 进行加热,从而开始计时循环。当置于测温点的热敏电阻Rt 温度高于设定值而计时循环还未完成时,加热器RL 在定时周期结束后就被切断。当热敏电阻Rt 温度降低至设定值以下时,会再次触发双向晶闸管V 导通,接通电加热器RL 进行加热。这样就可达到温度自动控制的目的。
二、元器件的选择
电路中,热敏电阻Rt 可采用负温度系数的MF12 型或MF53 型,也可以选择不同阻值和其他型号的负温度系数热敏电阻,只要在所需控制的温度条件下满足Rt+VR1=2R4 这一关系式即可。电位器VR1 取得大一些能获得较大的调节范围,但灵敏度会下降。双向晶闸管V 也可根据负载电流的大小进行选择。其他元件没有特殊要求,根据电路图给出参数来选择。
三、制作和调试方法
整个电路可安装在一块线路板上,一般不需要调试,时间间隔为1.1R2×C3,应该比加热系统的热时间常数选得小一些,但也不能太小,否则会因为双向晶闸管V 急速导通或关闭而造成过分的射频干扰。安装调试完后可装入一个小塑料盒内,并将热敏电阻Rt 引出至测温点即可。


返回顶部
刷新页面
下到页底