使用手机的人都有过这样的经历:外出时手机电池突然没有电了,因充电器不在身边或找不到可以充电的地方,影响了手机的正常使用。为了解决这一问题,本文介绍一种太阳能手机充电器,它使用太阳能电池板,经电路进行直流电压变换后给手机电池充电,并能在电池充电完成后自动停止充电。
工作原理
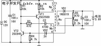
太阳能电池在使用时由于太阳光的变化较大,其内阻又比较高,因此输出电压不稳定,输出电流也小,这就需要用一个直流变换电路变换电压后供手机电池充电,直流变换电路见图1,它是单管直流变换电路,采用单端反激式变换器电路的形式。当开关管VT1导通时,高频变压器T1初级线圈NP的感应电压为1正2负,次级线圈Ns为5正6负,整流二极管VD1处于截止状态,这时高频变压器T1通过初级线圈Np储存能量;当开关管VT1截止时,次级线圈Ns为5负6正,高频变压器T1中存储的能量通过VD1整流和电容C3滤波后向负载输出。
电路工作原理简述如下:
三极管VT1为开关电源管,它和T1、R1、R3、C2等组成自激式振荡电路。加上输入电源后,电流经启动电阻R1流向VT1的基极,使VT1导通。
VT1导通后,变压器初级线圈Np就加上输入直流电压,其集电极电流Ic在Np中线性增长,反馈线圈Nb产生3正4负的感应电压,使VT1得到基极为正,发射极为负的正反馈电压,此电压经C2、R3向VT1注入基极电流使VT1的集电极电流进一步增大,正反馈产生雪崩过程,使VT1饱和导通。在VT1饱和导通期间,T1通过初级线圈Np储存磁能。
与此同时,感应电压给C2充电,随着C2充电电压的增高,VT1基极电位逐渐变低,当VT1的基极电流变化不能满足其继续饱和时,VT1 退出饱和区进入放大区。
VT1进入放大状态后,其集电极电流由放大状态前的最大值下降,在反馈线圈Nb产生3负4正的感应电压,使VT1基极电流减小,其集电极电流随之减小,正反馈再一次出现雪崩过程,VT1迅速截止。
VT1截止后,变压器T1储存的能量提供给负载,次级线圈Ns产生的5负6正的电压经二极管VD1整流滤波后,在C3上得到直流电压给手机电池充电。
在VT1截止时,直流供电输人电压和Nb感应的3负4正的电压又经R1、R3给C2反向充电,逐渐提高VT1基极电位,使其重新导通,再次翻转达到饱和状态,电路就这样重复振荡下去。
R5、R6、VD2、VT2等组成限压电路,以保护电池不被过充电,这里以3.6V手机电池为例,其充电限制电压为4.2V。在电池的充电过程中,电池电压逐渐上升,当充电电压大于4.2V时,经R5、R6分压后稳压二极管VD2开始导通,使VT2导通,VT2的分流作用减小了VT1的基极电流,从而减小了VT1的集电极电流Ic,达到了限制输出电压的作用。这时电路停止了对电池的大电流充电,用小电流将电池的电压维持在4.2V。
元器件选择和安装调试
VT1要求Icm>0.5A,hEF为50-100,可用2SC2500、2SC1008等,VD1为稳压值为3V的稳压二极管。
高频变压器T1要自制,用E16的铁氧体磁芯,Np用φ0.21漆包线绕26匝,Nb用φ0.21漆包线绕8匝,Ns用φ0.41漆包线绕15匝。绕制时要注意各线圈的起始端不要搞错,以免电路不起振或输出电压不正常。组装时在两块磁芯间垫一层厚度约为0.03mm的塑料薄膜作磁芯气隙。
太阳能电池板使用4块面积为6cm×6cm的硅太阳能电池板,其空载输出电压为4V,当工作电流为40mA时输出电压为3V。由于直流变换器的工作效率随着输入电压的的增高而增高,因此4块太阳能电池板串联后使用,这时电路的输入电压为12V。读者可根据你能购到的太阳能电池板规格决定使用的数量和联接方法。
其它元件的参数见图1。
印刷电路板见图2,尺寸为45×26mm2。
安装完成后,接上太阳能电池板,并将其放在阳光下,空载时电路输出电压约为4.2V,当空载输出电压高于4.2V时可适当减小R5的阻值,反之增加R5的阻值。电路工作电流跟太阳光的强弱有关,正常时约为40mA,这时充电电流约为85mA。


返回顶部
刷新页面
下到页底