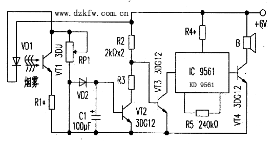
烟雾报警器由红外发光管、光敏三极管、KD9561构成,电路如附图所示。当被监视的环境洁净无烟雾时.红外发光二极管VD1以预先调好的起始电流发光。该红外光被光敏三极管VT1接收后其内阻减小.使得VD1和VT1串联电路中的电流增大,红外发光二极管VD1的发光强度相应增大,光敏三极管内阻进一步减小。如此循环便形成了强烈的正反馈过程,直至使串联感光电路中的电流达到最大值,在R1上产生的压降经VD2使VT2导通,、VT3截止.报警电路不工作。
当被监视的环境中烟雾急剧增加时,空气中的透光性恶化。此时光敏三极管VT1接收到的光通量减小,其内阻增大,串联感光电路中的电流也随之减小,发光二极管VD1的发光强度也随之减弱。如此循环便形成了负反馈的过程.使串联感光电路中的电流直至减小到起始电流值,R1上的电压也降到1.2V,使VT2截止,VT3导通,报警电路工作,发出报警信号。C1是为防止短暂烟雾的干扰而设置的。


返回顶部
刷新页面
下到页底