利用红外发光管发出的不可见光制作报警装置是十分适宜的。当物体或人体通过警戒区时,红外光被遮断,报警装置就会立即发出报警信号。它具有可靠性高、寿命长、抗干扰能力强等优点。
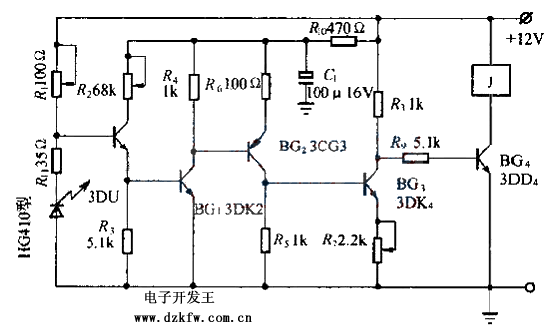
报警装置电路如图。电源接通后,砷化镓红外发光二极管即发出红外光。这些红外光被光电三极管3DU接受,3DU内阻下降,使BG1、BG2、BG3导通,BG4截止,继电器j不动作。点那个红外光被物体或者人体遮住后,3DU内阻变大,使BG1、BG2、BG3截止,BG4导通,继电器J动作,接通报警装置,发出信号。
在选择元件时,发光二级管应根据控制距离的大小来选择。控制的距离小时,可选用小功率发光管,如HG410系列,使用时应注意工作电流不要超过30 mA;控制的距离较大时,可选用HG500系列或GH520系列。
调试时应先接入红外发光二极管,并使其有一定的工作电流,然后再接入3DU、BG1、BG2。此时用万用表测量R5两端电压,当有红外光照射时,R5两端电压应该升高;若R5两端电压无变化,此时可调R2和检查电路是否按错。若电路无误,可适当减小R1,以增大发光管的工作电流,也可采用缩短发光二级管和光电三极管间距离的方法来解决。R5两端电压正常后接入BG3、BG4,并调节电阻R7,使继电器正常工作。


返回顶部
刷新页面
下到页底