节日和庆典时燃放礼花,其绚丽缤纷的图案,热烈的爆炸声、欢乐的气氛,能给人们留下美好的印象,但有一定的烟尘污染和爆炸危险隐患。本电路可以模拟礼花燃放装置,达到声型兼备的效果,给人们在安全、环保的环境中带来轻松愉快的氛围。电路结构新颖、元件不多、调试容易,适合自制。也可供小型企业工程技术人员开放设计参考。该装置可用于家庭庆典、朋友聚会、联欢晚会、儿童玩具及一些趣味性等场所。
一、电路工作原理
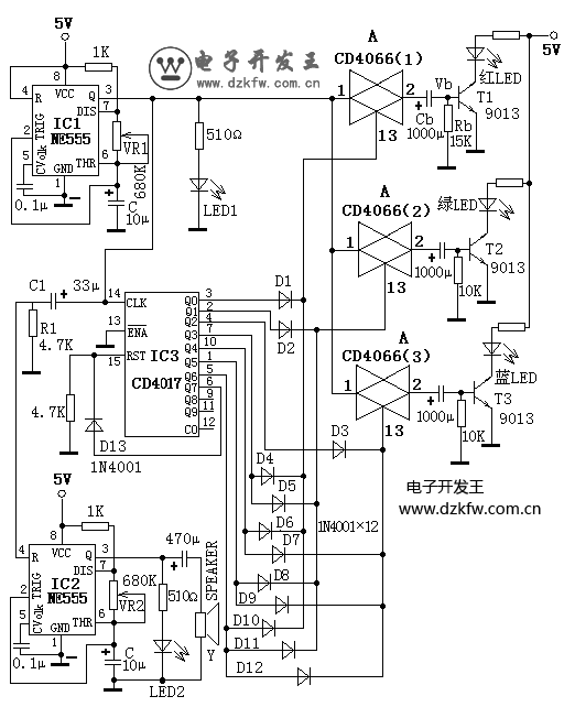
电路原理如图所示。
小型电子声光礼花器电路图
采用该电路制作装置,由模拟礼花色彩的发光电路和模拟礼花爆炸声的发声电路两个部分组成。图中IC1为时基集成电路555,由它构成方波发生器,发出的方波振荡信号分二路送出。一路送至十进制集成电路计数器IC3(CD4017)作为触发信号,使其进行计数。每次计数的结果(CD4017的Q0~Q6之一为“1”时),分别由二极管D1~D12传输到相应的集成电双向模拟开关CD4066的控制端,可使三个CD4066(1)、(2)、(3)或单独或组合导通。这样IC1的方波信号就可以通过模拟开关驱动相应的三极管T1~T3饱和导通,点亮相应的发光二极管LED1~LED3。
方波振荡信号驱动三极管时,要先经过一个由电阻Rb和电容Cb组成的微分电路,根据微分电路的特点,后接的三极管是在方波上升沿开始后导通,然后Vb点的电压按指数规律率减至0,因此三极管驱动的LED也有一个从突然点亮而渐暗的短暂过程,这个过程的长短可由Rb和Cb的数值(时间常数)来调整。
CD4017计数器的输出与CD4066模拟开关的接通状态即发光二极管LED的点亮情况由附表所示。当CD4017的Q7端为“1”时,计数器复位。随着555集成电路IC1的振荡信号不断产生,附表中所列现象循环出现,发光二极管发出的7种色彩(单色或三基色合成色)也循环不断,并且每种光色的点亮过程会有一种类似烟花闪烁后迅速熄灭的感觉。
三极管T1、T2、T3都是由RC微分电路驱动的,如果将三极管T1改为RC积分电路(R与C在电路中 的位置互换)驱动则可使红LED在点燃时间上有一个后延,如此当两个以上LED都点亮时就会产生时序上的差异,产生动画般的层次感。
另一路模拟燃放礼花的声音由时基集成电路555IC2来完成,该电路同样也是一个振荡器,不过,其复位端4脚所接的电位器是由IC1输出的方波信号经过R1和C1组成的微分电路后产生的即从方波上升沿起及之后的一段时间内,IC2的4脚才能保持高电平“1”,并使其工作,所产生的振荡信号直接驱动扬声器和三极管驱动的LED点亮同步,发出类似礼花爆炸的声响。
附 表
| CD4017输出 | CD4066 | 发光二极管 |
| Q0 | CD4066(1) | 红 LED |
| Q1 | CD4066(2) | 绿 LED |
| Q2 | CD4066(3) | 蓝 LED |
| Q3 | CD4066(1)、(2) | 红 LED、绿 LED |
| Q4 | CD4066(1)、(3) | 红 LED、蓝 LED |
| Q5 | CD4066(2)、(3) | 绿 LED、蓝 LED |
| Q6 | CD4066(1)、(2)、(3) | 红 LED、绿 LED、蓝 LED |
IC1、IC2选择555型集成电路,IC3计数器选择CD4017等型集成电路,集成电路双向模拟开关可选择CD4066等型,LED1、LED2可选择普通发光二极管,红、绿、蓝三个LED应选择f5以上的超高亮度发光二极管,其它元器件照电路图所给参数选择即可。
三、制作与调试方法
电路只要安装正确便可正常工作,调整电位器VR1可改变IC1的振荡频率,以使每次礼花燃放期间有一个合适的短暂停顿,发光二极管LED1用于指示其工作状态。调整电位器VR2可改变IC2的振荡频率,以使扬声器发出类似礼花的声响,LED2用于指示其工作状态。
红、绿、蓝这三个发光二极管要呈三角形状装置在一起,使它们发光能调色。在它们发光的前方安置一块由透光孔组成礼花图案的面板,其间距可在实验中调整。在夜晚关灯的房间内,当LED点亮时的各种彩光通过该面板投射到白纸或白墙时,就会产生色彩缤纷、星光灿烂、声形并茂的礼花效果。


返回顶部
刷新页面
下到页底