电子开发网

电子开发网电子设计 | 电子开发网Rss 2.0 会员中心 会员注册
搜索: 您现在的位置: 电子开发网 >> 电子开发 >> 常用电子制作 >> 正文

自制无线可视门铃电路

作者:佚名    文章来源:本站原创    点击数:    更新时间:2013-4-12

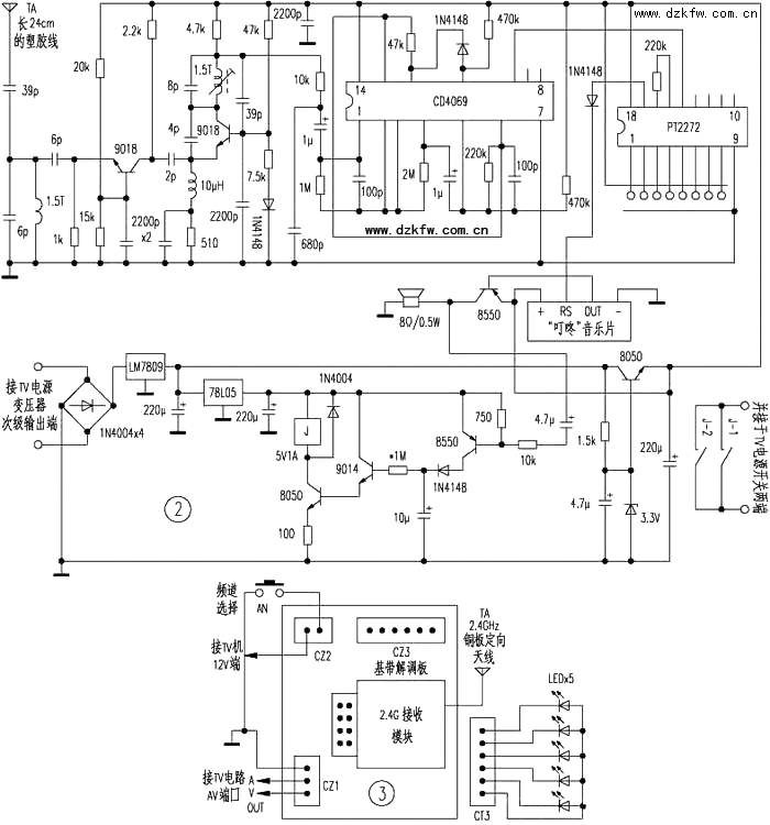
介绍电路简单易用的一款无线可视门铃电路
,对于一般用户来说,可能门铃不需要可视功能,但是对于特殊要求的用户来,可视功能且很有用。下面为你提供电路可视门铃电路图。
本文由www.dzkfw.com.cn整理提供,部分内容来源于网络,如有侵犯到你的权利请与我们联系更正。

无线可视门铃电路图 

Tags:无线,门铃,可视  
责任编辑:admin
请文明参与讨论,禁止漫骂攻击,不要恶意评论、违禁词语。 昵称:
1分 2分 3分 4分 5分

还可以输入 200 个字
[ 查看全部 ] 网友评论
关于我们 - 联系我们 - 广告服务 - 友情链接 - 网站地图 - 版权声明 - 在线帮助 - 文章列表
返回顶部
刷新页面
下到页底
晶体管查询