电容的用途非常多,主要有如下几种:
-
隔直流:作用是阻止直流通过而让交流通过。

2.旁路(去耦):为交流电路中某些并联的元件提供低阻抗通路。

3.耦合:作为两个电路之间的连接,允许交流信号通过并传输到下一级电路 。


用电容做耦合的元件,是为了将前级信号传递到后一级,并且隔断前一级的直流对后一级的影响,使电路调试简单,性能稳定。
如果不加电容交流信号放大不会改变,只是各级工作点需重新设计,由于前后级影响,调试工作点非常困难,在多级时几乎无法实现。
4.滤波:这个对 电路而言很重要,CPU背后的电容基本都是这个作用。

即频率f越大,电容的阻抗Z越小。当低频时,电容C由于阻抗Z比较大,有用信号可以顺利通过;当高频时,电容C由于阻抗Z已经很小了,相当于把高频噪声短路到GND上去了。

5.温度补偿:针对其它元件对温度的适应性不够带来的影响,而进行补偿,改善电路的稳定性。

分析:由于定时电容的容量决定了行振荡器的振荡频率,所以要求定时电容的容量非常稳定,不随环境湿度变化而变化,这样才能使行振荡器的振荡频率稳定。因此采用正、负温度系数的电容释联,进行温度互补。
当工作温度升高时,Cl的容量在增大,而C2的容量在减小,两只电容并联后的总容量为两只电容容量之和,由于一个容量在增大而另一个在减小,所以总容量基本不变。
同理,在温度降低时,一个电容的容量在减小而另一个在增大,总的容量基本不变,稳定了振荡频率,实现温度补偿目的。
6.计时:电容器与电阻器配合使用,确定电路的时间常数。

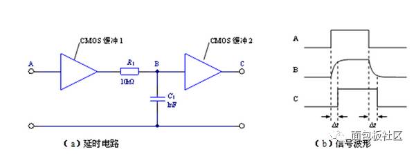
输入信号由低向高跳变时,经过缓冲1后输入RC电路。电容充电的特性使B点的信号并不会跟随输入信号立即跳变,而是有一个逐渐变大的过程。当变大到一定程度时,缓冲2翻转,在输出端得到了一个延迟的由低向高的跳变。
7. 调谐:对与频率相关的电路进行系统调谐,比如手机、收音机、电视机。

变容二极管的调谐电路
因为lc调谐的振荡电路的谐振频率是lc的函数,我们发现振荡电路的最大与最小谐振频率之比随着电容比的平方根变化。此处电容比是指反偏电压最小时的电容与反偏电压最大时的电容之比。因而,电路的调谐特征曲线(偏压一谐振频率)基本上是一条抛物线。
8. 整流:在预定的时间开或者关半闭导体开关元件。


9. 储能:储存电能,用于必须要的时候释放。例如相机闪光灯,加热设备等等.(如今某些电容的储能水平己经接近锂电池的水准,一个电容储存的电能可以供一个手机使用一天。



返回顶部
刷新页面
下到页底