电源滤波器是由电容、电感和电阻组成的滤波电路,又名“电源EMI滤波器”,或是“EMI电源滤波器”,一种无源双向网络,它的一端是电源,另一端是负载。电源滤波器的原理就是一种——阻抗适配网络:电源滤波器输入、输出侧与电源和负载侧的阻抗适配越大,对电磁干扰的衰减就越有效。滤波器可以对电源线中特定频率的频点或该频点以外的频率进行有效滤除,得到一个特定频率的电源信号,或消除一个特定频率后的电源信号。
下面小编为大家来具体介绍几款220v电源滤波器电路设计原理图详解。
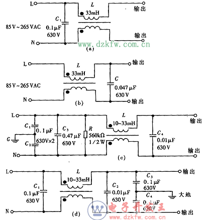
220v电源滤波器电路图设计(一)
为减小体积、降低成本,单片开关电源一般采用简易式单级EMI滤波器,典型电路图1所示。图(a)与图(b)中的电容器C能滤除串模干扰,区别仅是图(a)将C接在输入端,图(b)则接到输出端。图(c)、(d)所示电路较复杂,抑制干扰的效果更佳。图(c)中的L、C1和C2用来滤除共模干扰,C3和C4滤除串模干扰。R为泄放电阻,可将C3上积累的电荷泄放掉,避免因电荷积累而影响滤波特性;断电后还能使电源的进线端L、N不带电,保证使用的安全性。图(d)则是把共模干扰滤波电容C3和C4接在输出端。

EMI滤波器能有效抑制单片开关电源的电磁干扰。图2中曲线a为加EMI滤波器时开关电源上0.15MHz~30MHz传导噪声的波形(即电磁干扰峰值包络线)。曲线b是插入如图1(d)所示EMI滤波器后的波形,能将电磁干扰衰减50dBμV~70dBμV。显然,这种EMI滤波器的效果更佳。

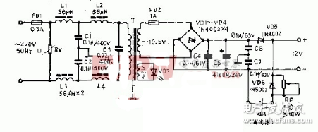
220v电源滤波器电路图设计(二)
本电路输入的220V交流电压通过对称平衡电网滤波器加到电源变压器T的初级两端。 电路图如图所示。输入端220V交流电源通过对称平衡电网滤波器加到电源变压器T的初级两端。电网滤波器是由L1~L4,C1~C3组成。桥式整流器VD1~VD4输出的脉动直流通过C4~C7,VD5组成的直流滤波器输出约12的平滑直流电压。

12V输出两端电压并节着12V蓄电池GB电压,平时,蓄电池GB处于充电状态,一旦市电电源220V停电事蓄电池GB的12V电压通过二极管VD6字哦的供给负载用电。
其中,RV为压敏电阻器,它主要是对外界的高电压和雷电有良好的吸收作用。该电阻具有短暂的吸收功能,而对于较长时间则无能为力,故将保险FUI熔断,二极管VD5,VD6为隔离二极管或为反相截流管。
220v电源滤波器电路图设计(三)
这是一款具有光控功能的LED照明灯,它白天不工作,晚上自动点亮。该灯共用42个高亮白光发光二极管,每3支串联,然后再相互并联后接于电源两瑞,适用于楼梯、过道等作照明。
220V交流电经电容限流、桥式整流、滤波、稳压,在A、B两端获得稳定的12V直流电。在白天由于光敏电阻RG受到自然光的照射呈现低阻值,三极管VT的基极电位低,而被反偏置,因此VT截止,单向可控硅VS门极为低电平被关断,LED不亮。到天黑后光敏电阻RG因无光照呈现高阻值,VT导通,VS的门极即有正向触发电压而导通,LED通电发光。开关K为手动控制开关,只要K闭合,不管白天黑夜,LED均能发光。

220v电源滤波器电路图设计(四)
图1是一款贴片LED照明灯具的实用电路图,该灯使用220V电源供电,220V交流电经C1降压电容降压后经全桥整流再通过C2滤波后经限流电阻R3给串联的10颗贴片LED提供恒流电源。贴片LED的额定电流为20mA,但是我们在制作节能灯的时候要考虑很多方面的因素对贴片LED的影响,包括光衰和发热的问题,LED的温度对光衰和寿命影响很大,如果散热不好很容易产生光衰,因为LED的特性是温度升高电流就会增大,所以一般在做大功率照明时散热的问题是最重要的,将影响到LED的稳定性,小功率一般都采取自散热方式,所以在电路设计时电流不宜过大。

此电路适合驱动7-12只20mA的贴片LED
图中R1是保护电阻,R2是电容C1的卸放电阻,R3是限流电阻防止电压升高和温度升高LED的电流增大,C2是滤波电容,实际在LED电路中可以不用滤波电路,C2是用来防止开灯时的冲击电流对LED的损害,开灯的瞬间因为C1的存在会有一个很大的充电电流,该电流流过LED将会对LED产生损伤,有了C2的介入,开灯的充电电流完全被C2吸收起到了开灯防冲击保护。该电路是小功率灯杯最实用的电路,占用体积小可以方便的装在空间较小的灯杯里,现在被灯杯产品广泛的采用。
优点:恒流源,电源功耗小,体积小,经济实用。但是在设计时降压电容要采用耐压在400V以上的涤纶电容或CBB电容,滤波电容要用耐压250v以上。
电容或CBB电容,滤波电容要用耐压250v以上。此电路适合驱动20-40只20mA的LED.

图2 电路板图
220v电源滤波器电路图设计(五)
对于220v转12v稳压电源而言,如果电流大就用开关电源,如果电流小就用阻容,具体接法:220V经电容(680n左右400V以上,并联一个1M左右的泄放电阻)降压,再经桥式整流(1N4007就可以)电容滤波,出口接一小阻值限流电阻、12V稳压管,即可。
220V转12V开关电源有很多种,有分立元件的,有集成电路的,集成电路又有好多种。开关电源除输出的电压不一样,功率不一样(输出电流不一样)外,原理基本上差不多,手机充电器、电磁炉、DVD、彩电、彩显等都采用开关电源。
220V转12V开关电源电路图
调整C3和R5使振荡频率在30KHz-45KH.
输出电压需要稳压。
输出电流可达约500mA,有效功率8W,效率87%。



返回顶部
刷新页面
下到页底