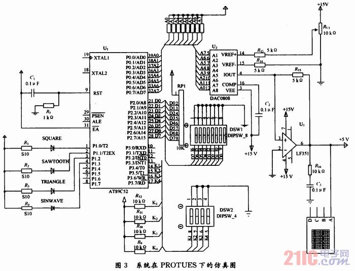
2.2 系统仿真
在PROTEUS电子设计平台下,先绘制电路,然后对设计的程序进行编译,生成*.HEX文件,加载到单片机中,得到的仿真图如图3所示。

2.2.1 波形选择仿真
在运行过程中,改变接在P3口的拔码开关,得到仿真结果如图4所示。

2.2.2 波形频率调整
在运行过程中,通过改变P2口的值,观察波形的频率变化,图5是正弦波频率变化的情况。
2.2.3 幅值调整
在运行中,通过调整RV1的值,观察到波形幅度发生改变,图6是当RV1分别处于20%和50%时的正弦波波形。
3 结语
基于AT89C51的信号发生器可以输出正弦波、方波、三角波、锯齿波,波形失真小,幅值输出准确,波形频率稳定度取决于频率基准信号,输出信号失真度低,在低频到高频部分都能有较好波形输出,达到了预期的设计目的。这种信号发生器操作简单,显示直观而且价格低廉、可靠性高、灵活性好,具有很大的应用价值。


返回顶部
刷新页面
下到页底