这款直流稳压电源,输出电压从4.5V到14.3V连续可调,工作电流最大可达600mA,并且带有输出短路自动保护及报警功能,用来给4英寸TFT彩色液晶电视等一些小电器供电很是方便。
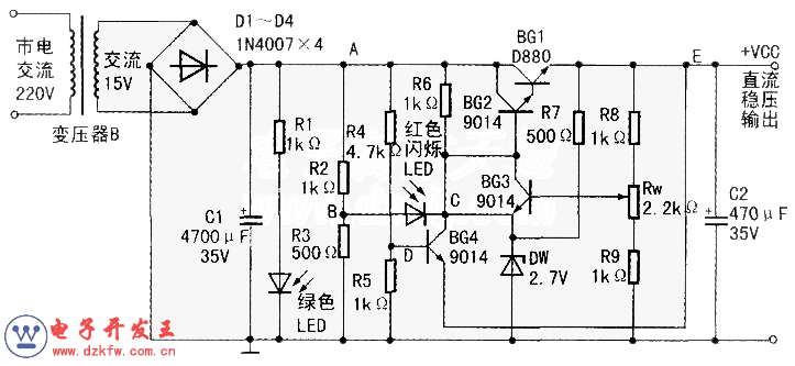
电路原理图如图所示,220V交流市电经变压器降压为15V交流电压,再经二极管D1~D4桥式整流,电容C1滤波,得到约18V的直流电压。大功率NPN型三极管BG1与小功率NPN型三极管BG2组成复合调整管,这种复合结构大大提高了电源电流输出(即带负载)能力。BG3是比较放大管,作为其集电极负载的电阻R6.同时又为复合调整管的基极提供偏置电流。电阻R7与稳压二极管DW构成基准电压源。R8、R9及可调电阻Rw组成取样电路,当由于市电波动或负载变化导致输出电压偏移设定值时,取样电路会将输出电压变化量△Uo的一部分取出送到BG3基极,与恒定的基准电压相比较,并经过BG3放大后送入BG2基极,以控制复合调整管ce间的管压降变化,从而使输出电压向相反方向偏移,最终确保输出电压稳定。通过调整Rw大小就可以改变取样电压大小,同时也就改变了输出电压与基准电压的比例关系。
因为基准电压为恒定值,所以调整Rw就能在一定范围内改变输出电压。根据实际需要,我们可以选用不同阻值组合的取样电路,以获得较为理想的输出电压调整范围。按此图中所标电阻的取值,由理论分析可知,当Rw调到最上端时,输出电压将达到最小值:
经调整管调整后的电压,最后由电容C2进一步滤波平滑后输出。电阻R1和绿色发光二极管(LED)组成电源工作指示电路。
以上部分与常见的直流可调稳压电源大同小异,并无独特新奇之处,不过加上由R4、R5和BG4组成的输出短路保护电路,以及由R2、R3和红色闪烁发光二极管(LED)组成的输出短路报警电路,就使得该电源非同一般了。输出短路保护及报警电路工作原理:正常情况下,图中所示A点电压约为18V,B点约为6V.D点约为3V,E点等于输出稳定电压,通常介于4.5~14.3V之间,由于E点电压高于D点电压,be结反偏,BG4处于截止状态,对应C点电压约为5.5~15.3V,闪烁发光二极管并不发光,对稳压电路没有影响;当负载不慎短路时,输出电压降为OV.E点相当于接地,be结正偏,BG4迅速进入饱和导通状态,C点电压也跟着降为O.1V左右,使复合调整管基极与发射极近乎短路而进入截止状态,切断经由调整管流向负载的电流,利用R6的限流作用,将整个电路的工作电流限定在50mA以下,从而保护电源电路的调整管、变压器等不会因过热而烧毁,同时闪烁发光二极管开始一闪一闪的发出红光进行报警,提醒使用者及时排除短路故障。
制作选材时,Rw一定要选用多圈可调精密电位器,除了电阻R1、R6要选用1/2W的外,其余R均可选用1/8W小功率电阻,DW选用1W的稳压二极管,变压器视负载电器功率大小确定,一般25W左右足以满足日常需求。BG1可选用D880等大功率管,其余的三极管选用9014即可,当大电流长时间工作时,一定要注意给调整管加装散热片。


返回顶部
刷新页面
下到页底