.
单片机 | EDA开发 | 电源专栏 | 常用电子制作 | 嵌入式系统 | 照明电器 | PLC | 汽车电子
电路原理 | 模拟电子 | 数字电子 | 音频电路 | 家电维修 | 其它技术 | 机电原理 | 半导体技术
色环电阻阻值计算器 | 恒流源在线计算器 | MC34063A 在线计算器
音频语音电路 | 555电路 | 通信电路 | 家电 | 电源电路 | 电子制作 | 放大电路图
软件类 | 手册资料 | 通用软件 | 开发教程 | 单片机资料 | 芯片资料
PCB设计 | 行业资讯 | 电子商家
视频教程 | 留言板
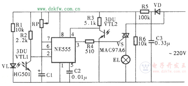
NE555光控延时照明灯电路,本电路图所用到的元器件: NE555 HG501