本节将采用大规模集成电路DAC0831实现D/A转换,并介绍DAC0832引脚图及接口电路,
采用ADC0809实现A/D转换。
(一) D/A转换器DAC0832
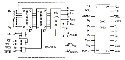
DAC0832是采用CMOS工艺制成的单片直流输出型8位数/模转换器。如图4-82所示,它由倒T型R-2R电阻网络、模拟开关、运算放大器和参考电压VREF四大部分组成。运算放大器输出的模拟量V0为:
图4-82
由上式可见,输出的模拟量 与输入的数字量( ) 成正比,这就实现了从数字量到模拟量的转换。
一个8位D/A转换器有8个输入端(其中每个输入端是8位二进制数的一位),有一个模拟输出端。输入可有28=256个不同的二进制组态,输出为256个电压之一,即输出电压不是整个电压范围内任意值,而只能是256个可能值。图4-83是DAC0832的逻辑框图和引脚排列。
图4-83
D0~D7:数字信号输入端。
ILE:输入寄存器允许,高电平有效。
CS:片选信号,低电平有效。
WR1:写信号1,低电平有效。
XFER:传送控制信号,低电平有效。
WR2:写信号2,低电平有效。
IOUT1、IOUT2:DAC电流输出端。
Rfb:是集成在片内的外接运放的反馈电阻。
Vref:基准电压(-10~10V)。
Vcc:是源电压(+5~+15V)。
AGND:模拟地 NGND:数字地,可与AGND接在一起使用。
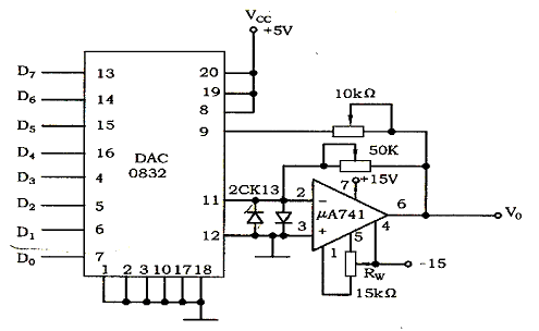
DAC0832输出的是电流,一般要求输出是电压,所以还必须经过一个外接的运算放大器转换成电压。实验线路如图4-84所示。
图4-85
IN0~IN7:8路模拟信号输入端。
A1、A2、A0 :地址输入端。ALE地址锁存允许输入信号,在此脚施加正脉冲,上升沿有效,此时锁存地址码,从而选通相应的模拟信号通道,以便进行A/D转换。
START:启动信号输入端,应在此脚施加正脉冲,当上升沿到达时,内部逐次逼近寄存器复位,在下降沿到达后,开始A/D转换过程。
EOC:转换结束输出信号(转换接受标志),高电平有效。
OE:输入允许信号,高电平有效。
CLOCK(CP):时钟信号输入端,外接时钟频率一般为640kHz。
Vcc:+5V单电源供电。 、
Vref(+),Vref(-):基准电压的正极、负极。一般Vref(+)接+5V电源,Vref(-)接地。
D7~D0:数字信号输出端。 由A2、A1、A0三地址输入端选通8路模拟信号中的任何一路进行A/D转换。


返回顶部
刷新页面
下到页底